GM Service Manual Online
For 1990-2009 cars only
Makes
🢒
Chevrolet
🢒
2000
🢒
Express
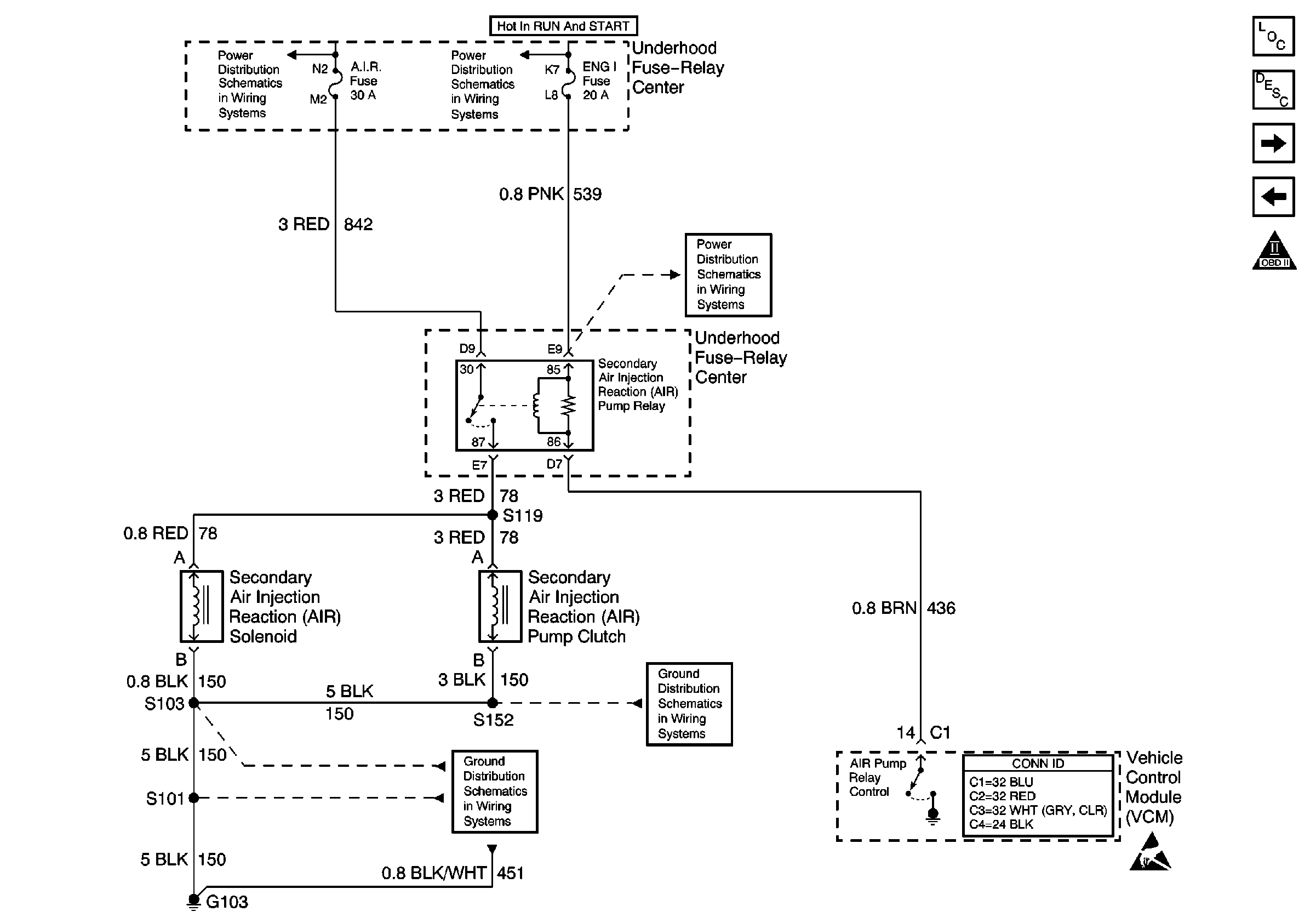
🢒 Secondary AIR Controls
Secondary AIR Controls
Secondary AIR Controls
Engine Controls Components
Vehicle Control Module Description
4L60-E Solenoid Controls
Vehicle Speed Sensor, IAC, and Cruise Control
OBD II Symbol Description Notice
Handling ESD Sensitive Parts Notice
Battery, Auxiliary Battery, and Underhood Fuse/Relay Center
IGN A, IGN B Fuses, and Ignition Switch
ENG 1 Fuse (4.3L, 5.0L, and 5.7L)
G103 (4.3L, 5.0L, and 5.7L Engines)
Components through S152 to G103 (Gasoline Engines)