GM Service Manual Online
For 1990-2009 cars only
Makes
🢒
Chevrolet
🢒
2000
🢒
Express
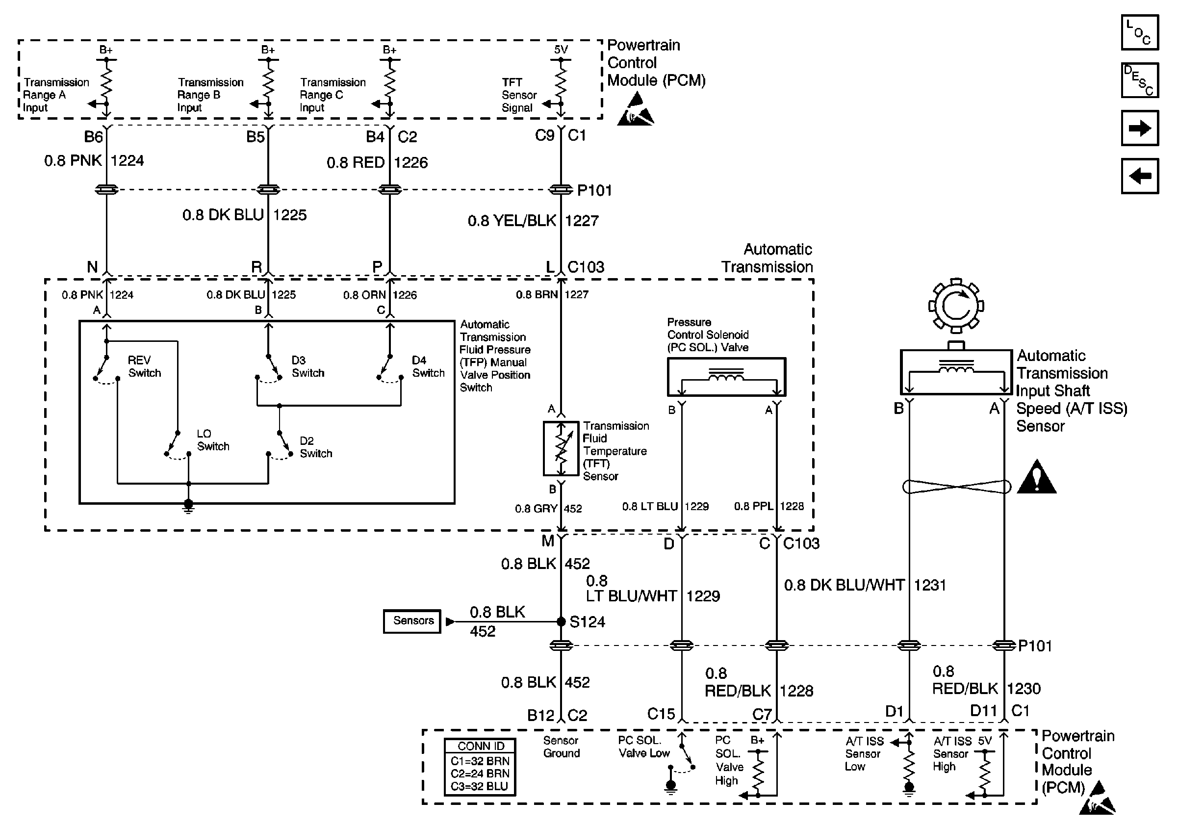
🢒 4L80-E Switch and ISS Controls
4L80-E Switch and ISS Controls
4L80-E Switch and ISS Controls
Engine Controls Components
Powertrain Control Module Description
A/C Controls
4L80-E Solenoid Controls
Sensor Controls: CKP, Boost Pressure Sensor, IAT, ECT
Handling ESD Sensitive Parts Notice
Handling ESD Sensitive Parts Notice
Engine Controls Schematic Icons