GM Service Manual Online
For 1990-2009 cars only
Makes
🢒
Chevrolet
🢒
2000
🢒
Express
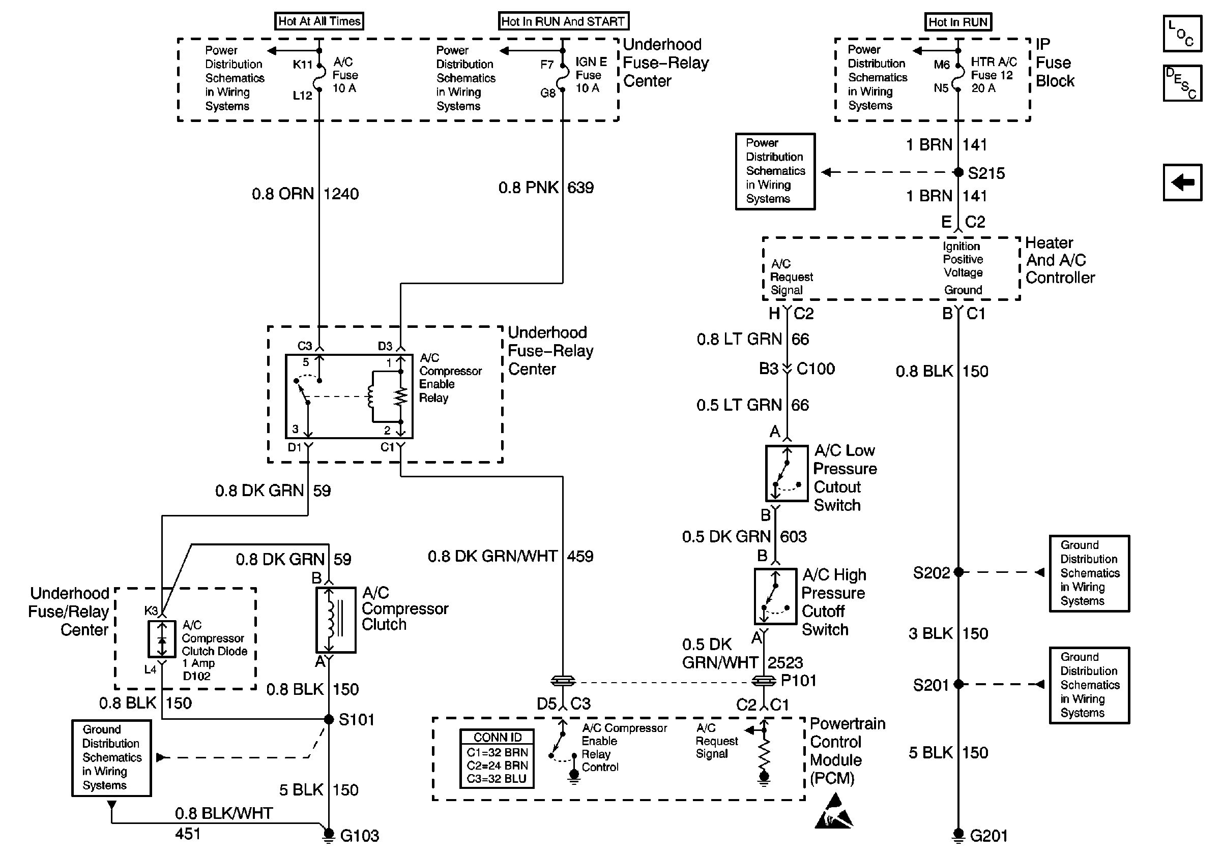
🢒 A/C Controls
A/C Controls
A/C Controls
Engine Controls Components
Powertrain Control Module Description
4L80-E Switch and ISS Controls
IGN A, IGN B Fuses, and Ignition Switch
IGN A, IGN B Fuses, and Ignition Switch
Battery, Auxiliary Battery, and Underhood Fuse/Relay Center
CRUISE, HTR A/C, and BRAKE Fuses
Handling ESD Sensitive Parts Notice
Components through S202 and S205 to G201
G201
G103 (6.5L Engine)