GM Service Manual Online
For 1990-2009 cars only
Makes
🢒
Chevrolet
🢒
2000
🢒
Express
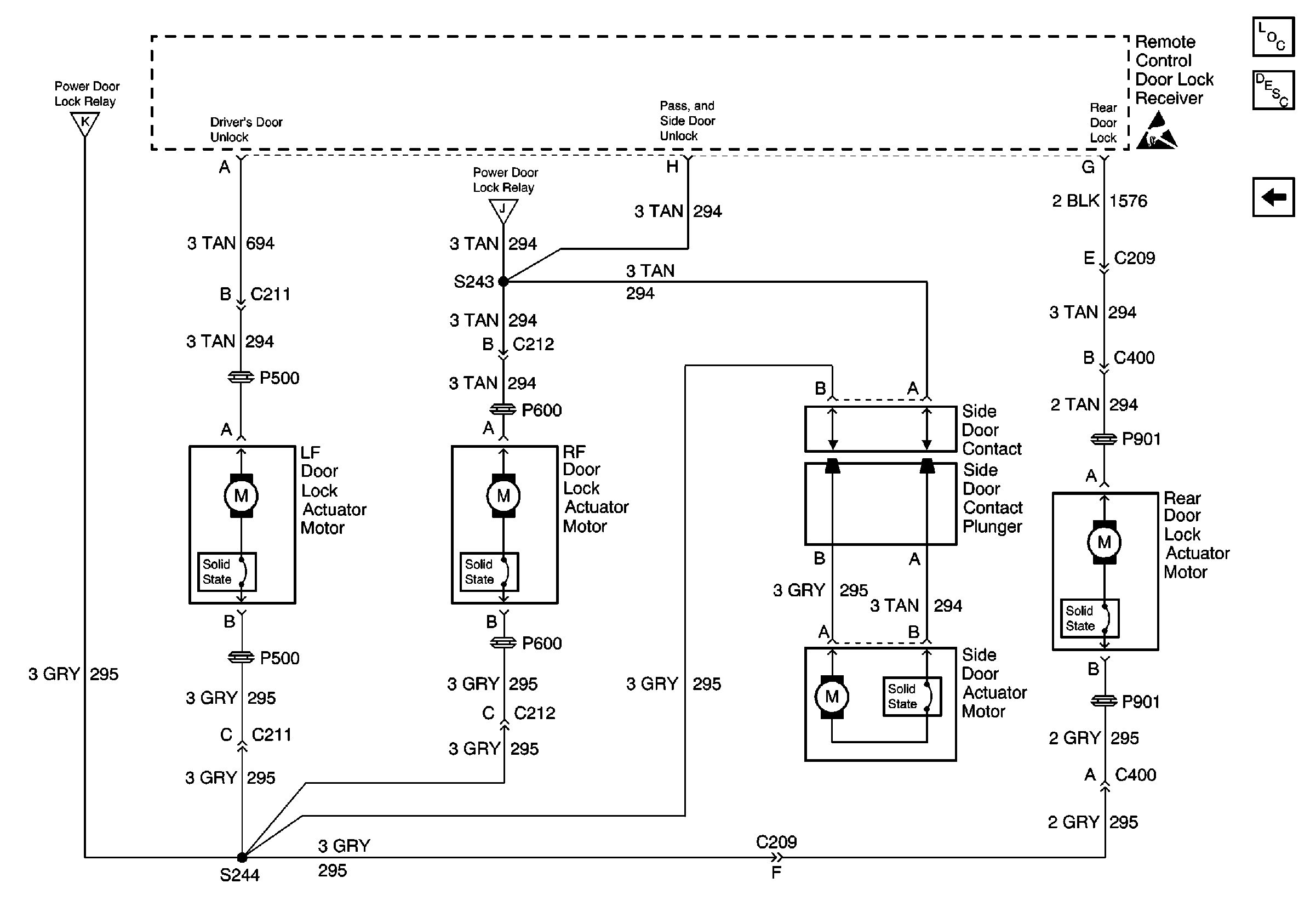
🢒 Door Lock Actuators
Door Lock Actuators
Door Lock Actuators
Keyless Entry Components
Keyless Entry System Circuit Description
Power Door Lock Relay & Grounds
Handling ESD Sensitive Parts Notice
Power Door Lock Relay & Grounds
Power Door Lock Relay & Grounds