GM Service Manual Online
For 1990-2009 cars only
Makes
🢒
Chevrolet
🢒
2000
🢒
Express
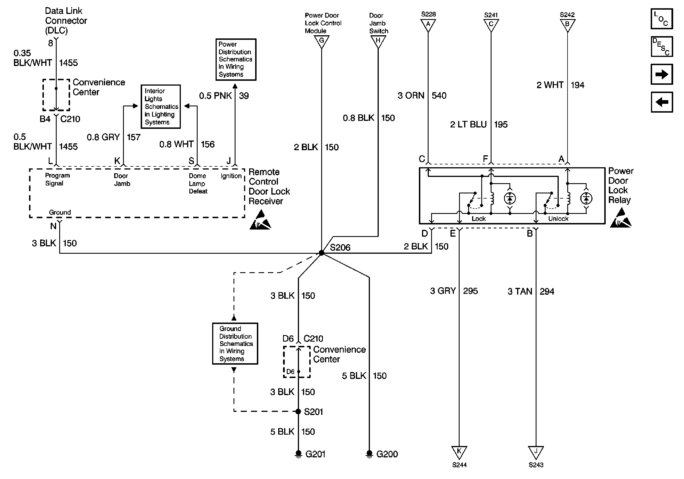
🢒 Power Door Lock Relay & Grounds
Power Door Lock Relay & Grounds
Power Door Lock Relay & Grounds
Keyless Entry Components
Keyless Entry System Circuit Description
Power Door Lock Module & RR Door Lock Switch
Door Lock Actuators
CTSY Fuse
GAUGES Fuse
Power Door Lock Module & RR Door Lock Switch
Power Door Lock Module & RR Door Lock Switch
Keyless Entry: Power Feeds
Handling ESD Sensitive Parts Notice
Handling ESD Sensitive Parts Notice
G201
Keyless Entry: Power Feeds
Keyless Entry: Power Feeds
Door Lock Actuators
Door Lock Actuators