GM Service Manual Online
For 1990-2009 cars only
Makes
🢒
Chevrolet
🢒
2000
🢒
Express
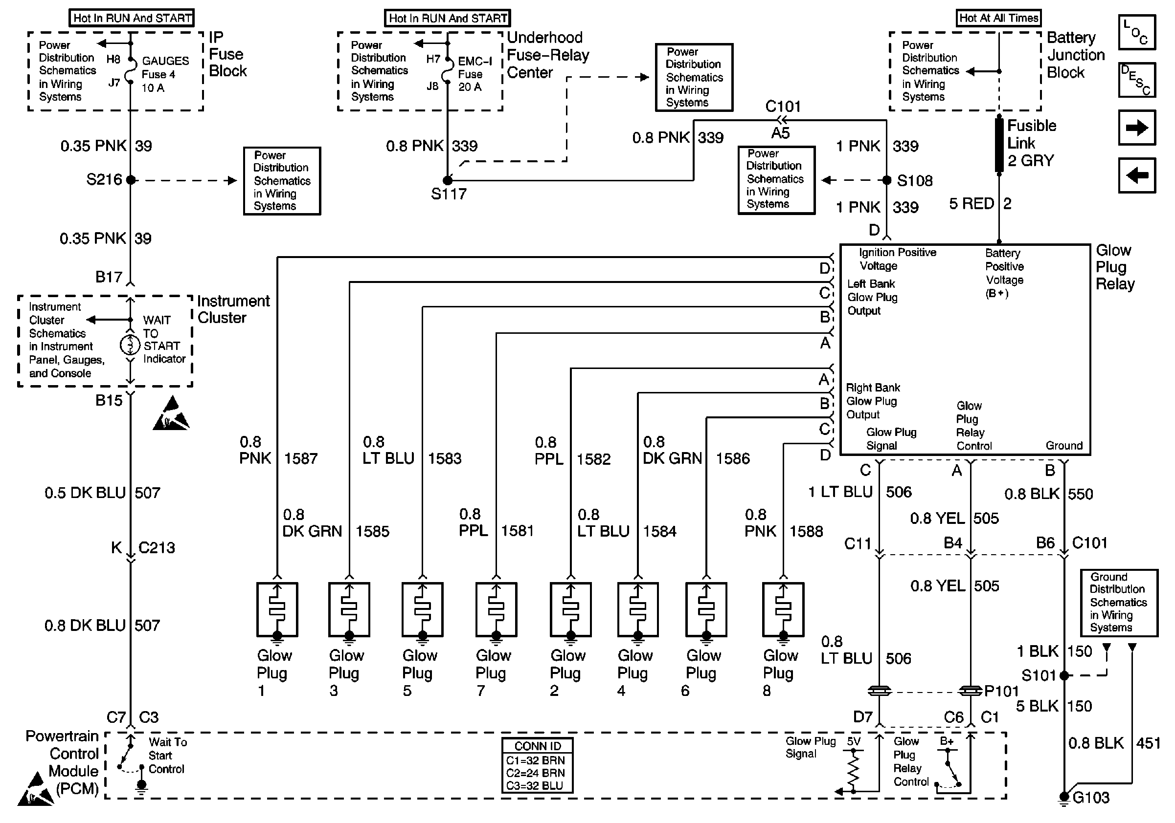
🢒 Glow Plug Controls - California Emissions
Glow Plug Controls - California Emissions
Glow Plug Controls--California Emissions
Engine Controls Components
Powertrain Control Module Description
Fuel Pump Controls
Glow Plug Controls-Federal Emissions
Battery, Auxiliary Battery, and Underhood Fuse/Relay Center
IGN A, IGN B Fuses, and Ignition Switch
IGN A, IGN B Fuses, and Ignition Switch
GAUGES Fuse
ECM 1 and IGN E Fuses (6.5L)
ECM 1 and IGN E Fuses (6.5L)
GAUGES Fuse, WATER-IN-FUEL Indicator Sensor, G103
Handling ESD Sensitive Parts Notice
Handling ESD Sensitive Parts Notice
G103 (6.5L Engine)