GM Service Manual Online
For 1990-2009 cars only

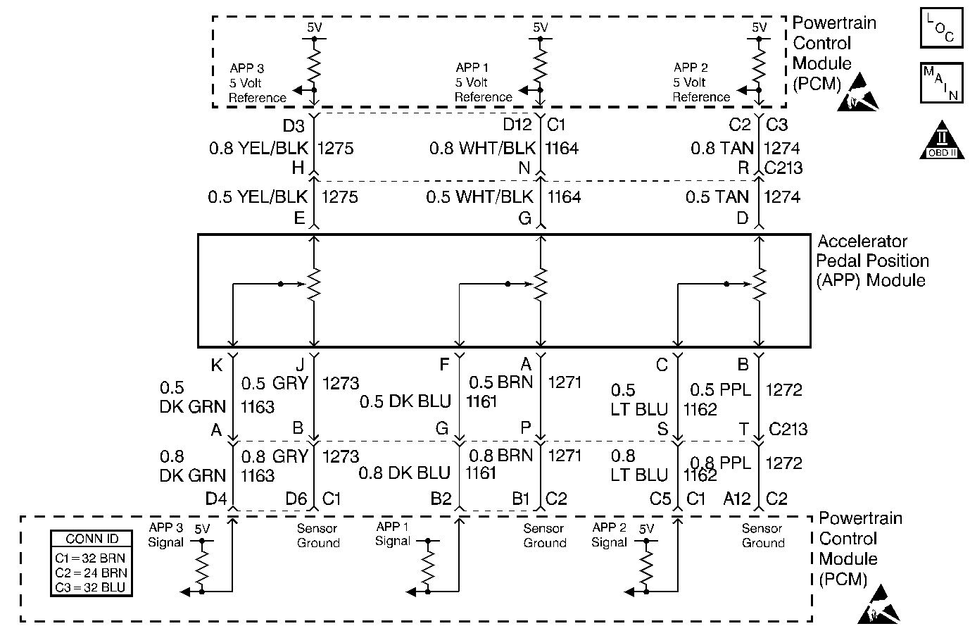
Object Number: 550686  Size: MF
Engine Controls Components
Cruise Control, APP Module
OBD II Symbol Description Notice
Handling ESD Sensitive Parts Notice
Handling ESD Sensitive Parts Notice

Circuit Description

The accelerator pedal position (APP) module provides a voltage signal that changes relative to the accelerator pedal position. There are 3 sensors which are located within the APP module that are scaled differently.

Conditions for Running the DTC

The ignition is in the ON position.

Conditions for Setting the DTC

The PCM has recognized an intermittent APP fault and there are no other current APP faults stored.

Action Taken When the DTC Sets

    •  The Service Throttle Soon lamp will not illuminate when one APP DTC sets. The PCM will only illuminate the Service Throttle Soon lamp when multiple APP DTCs set.
    • The PCM records the operating conditions at the time the diagnostic fails. This information is stored in the Failure Records.

Conditions for Clearing the MIL/DTC

    • A history DTC clears after 40 consecutive warm-up cycles, if this or any other emission related diagnostic does not report any failures.
    • The scan tool Clear Info function was used.

Diagnostic Aids

There are no driveability issues associated with the APP module unless a DTC is present. The most likely cause of this DTC are poor connections or a malfunctioning sensor. The least likely is a PCM problem.

A DTC P1125 will set along with multiple APP DTCs. All other DTCs should be diagnosed first.

Test Description

The numbers below refer to the step numbers on the diagnostic table:

  1. This step determines if DTC P1125 is a hard failure or an intermittent condition.

Step

Action

Values

Yes

No

1

Important: Before clearing the DTCs, use the scan tool Capture Info to save the Freeze Frame and Failure Records for reference. The data in the control module is deleted once the Clear Info function is used.

Did you perform the Powertrain On-Board Diagnostic (OBD) System Check?

--

Go to Step 2

Go to Powertrain On Board Diagnostic (OBD) System Check

2

  1. Disconnect the APP sensor electrical connector.
  2. Turn ON the ignition with the engine OFF.
  3. With DMM connected to ground, check all of the APP 5 volt reference circuits at the APP harness.

Is the voltage less than the specified value?

4.8 V

Go to Step 4

Go to Step 3

3

The DTC is intermittent. If no additional DTCs are stored, refer to Diagnostic Aids. If any additional DTCs are stored, refer to the applicable DTC tables first.

Are there any additional DTCs stored?

--

Go to the applicable DTC table

Go to Diagnostic Aids

4

  1. Turn OFF the ignition.
  2. Disconnect the PCM and check the 5 volt reference circuit for a short to ground.
  3. If the 5 volt reference circuit is shorted to ground, repair as necessary. Refer to Wiring Repairs in Wiring Systems.

Was the 5 volt reference circuit shorted to ground?

--

Go to Step 6

Go to Step 5

5

Important: The new PCM must be programmed.

Replace the PCM. Refer to Powertrain Control Module Replacement/Programming .

Is the action complete?

--

Go to Step 6

--

6

  1. Use the scan tool in order to clear the DTCs.
  2. Start the engine.
  3. Allow the engine to idle until the engine reaches the normal operating temperature.
  4. Select DTC and the Specific DTC function.
  5. Enter the DTC number that was set.
  6. Operate the vehicle within the Conditions for Setting this DTC until the scan tool indicates the diagnostic Ran.

Does the scan tool indicate the diagnostic Passed?

--

Go to Step 7

Go to Step 2

7

Does the scan tool display any additional undiagnosed DTCs?

--

Go to the applicable DTC table

System OK