GM Service Manual Online
For 1990-2009 cars only

    Object Number: 293254  Size: SH
  1. Place the block tooth on the steering shaft assembly (1) in the 12 o'clock position.

  2. Object Number: 293252  Size: SH
  3. Install the wave washer (1) onto the steering shaft assembly (2).

  4. Object Number: 415291  Size: SH

    Important: A new inflatable restraint steering wheel module coil is pre-centered. Do not remove the centering tab from the new inflatable restraint steering wheel module coil until installation is complete.

  5. If you are installing the existing coil, center the coil first. Refer to Inflatable Restraint Steering Wheel Module Coil Assemble - Off Vehicle .
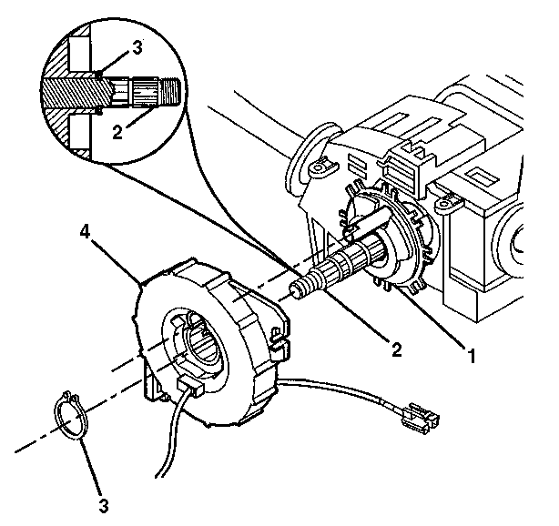
  6. Align the inflatable restraint steering wheel module coil (4) with the horn tower on the turn signal cancel cam assembly (1).
  7. Slide the new inflatable restraint steering wheel module coil (4) onto the steering shaft assembly (2).
  8. Firmly seat the new retaining ring (3) into the groove on the steering shaft assembly (2).
  9. Remove the centering tab from the new inflatable restraint steering wheel module coil (4).
  10. Discard the centering tab.

  11. Object Number: 322946  Size: SH

    Caution: Improper routing of the wire harness assembly may damage the inflatable restraint steering wheel module coil. This may result in a malfunction of the coil, which may cause personal injury.

  12. Attach new wire harness straps to the wire harness assembly (1).
  13. Attach the wire harness assembly (1) to the wire harness strap (2).
  14. Install the upper and lower trim covers. Refer to Trim Covers, Shift Lever Seal - Assemble - Off Vehicle .
  15. Enable the inflatable restraint steering wheel module. Refer to Enabling the SIR System in SIR.