GM Service Manual Online
For 1990-2009 cars only
Makes
🢒
Chevrolet
🢒
2001
🢒
Express
🢒
Body and Accessories
🢒
Wiring Systems
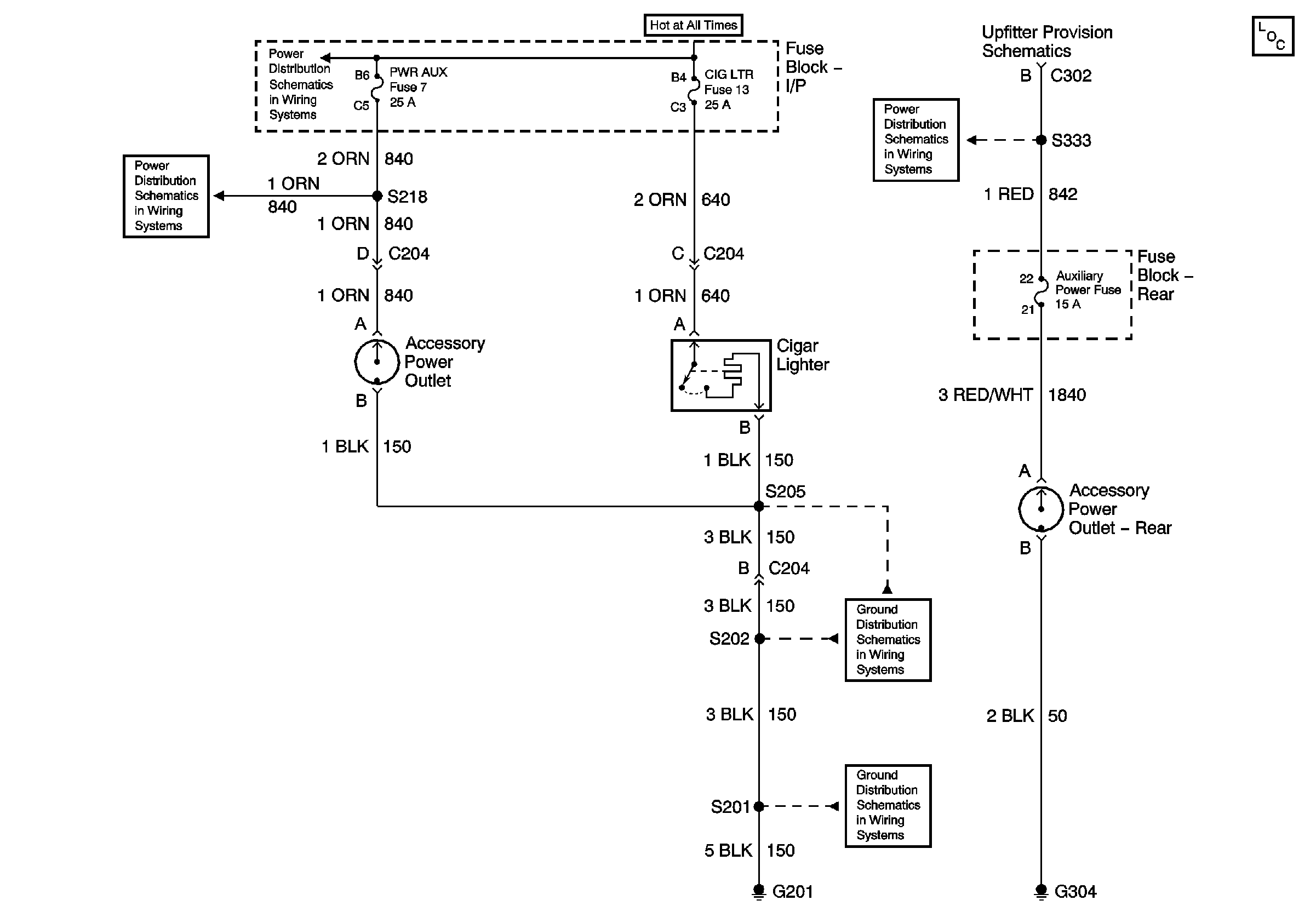
🢒 Cigar Lighter/Power Outlet Schematics
Master Electrical Component List
Stop, Power Auxiliary, Cigar Lighter, and Radio B Fuses
Stop, Power Auxiliary, Cigar Lighter, and Radio B Fuses
Components through S202 and S205 to G201
G201