GM Service Manual Online
For 1990-2009 cars only
Makes
🢒
Chevrolet
🢒
2001
🢒
Express
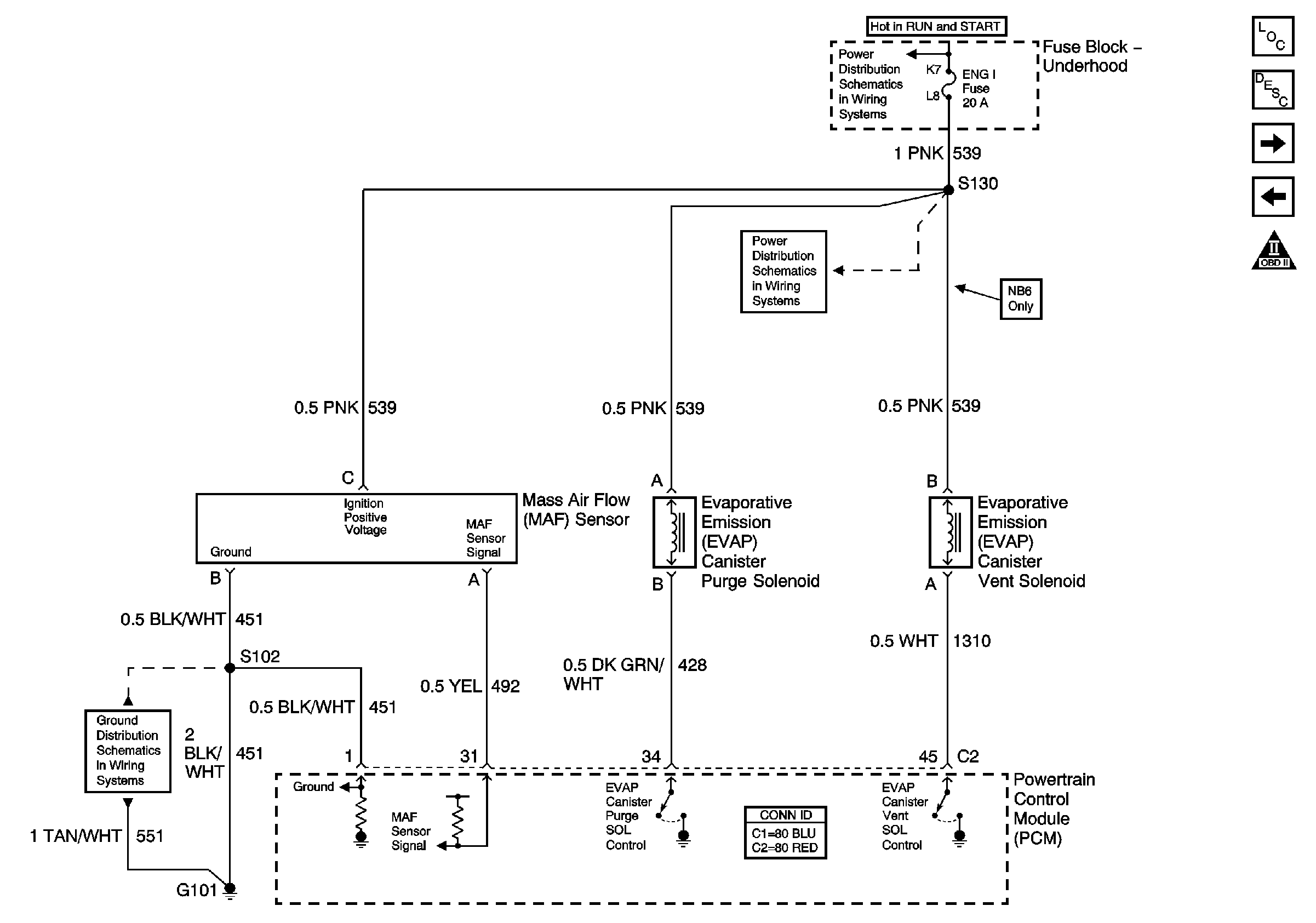
🢒 Sensor Controls: MAF and EVAP
Sensor Controls: MAF and EVAP
Sensor Controls: MAF and EVAP
Master Electrical Component List
Evaporative Emission Control System Description
TAC, APP and TP Sensor
Sensor Controls: EGR, Fuel Tank Pressure Sensor, MAP, IAT, ECT
OBD II Symbol Description Notice
Ignition A, Ignition B Fuses, and Ignition Switch
Engine 1 Fuse (4.3L, 5.0L, and 5.7L)
G101 (Gasoline Engines)