GM Service Manual Online
For 1990-2009 cars only
Makes
🢒
Chevrolet
🢒
2001
🢒
Express
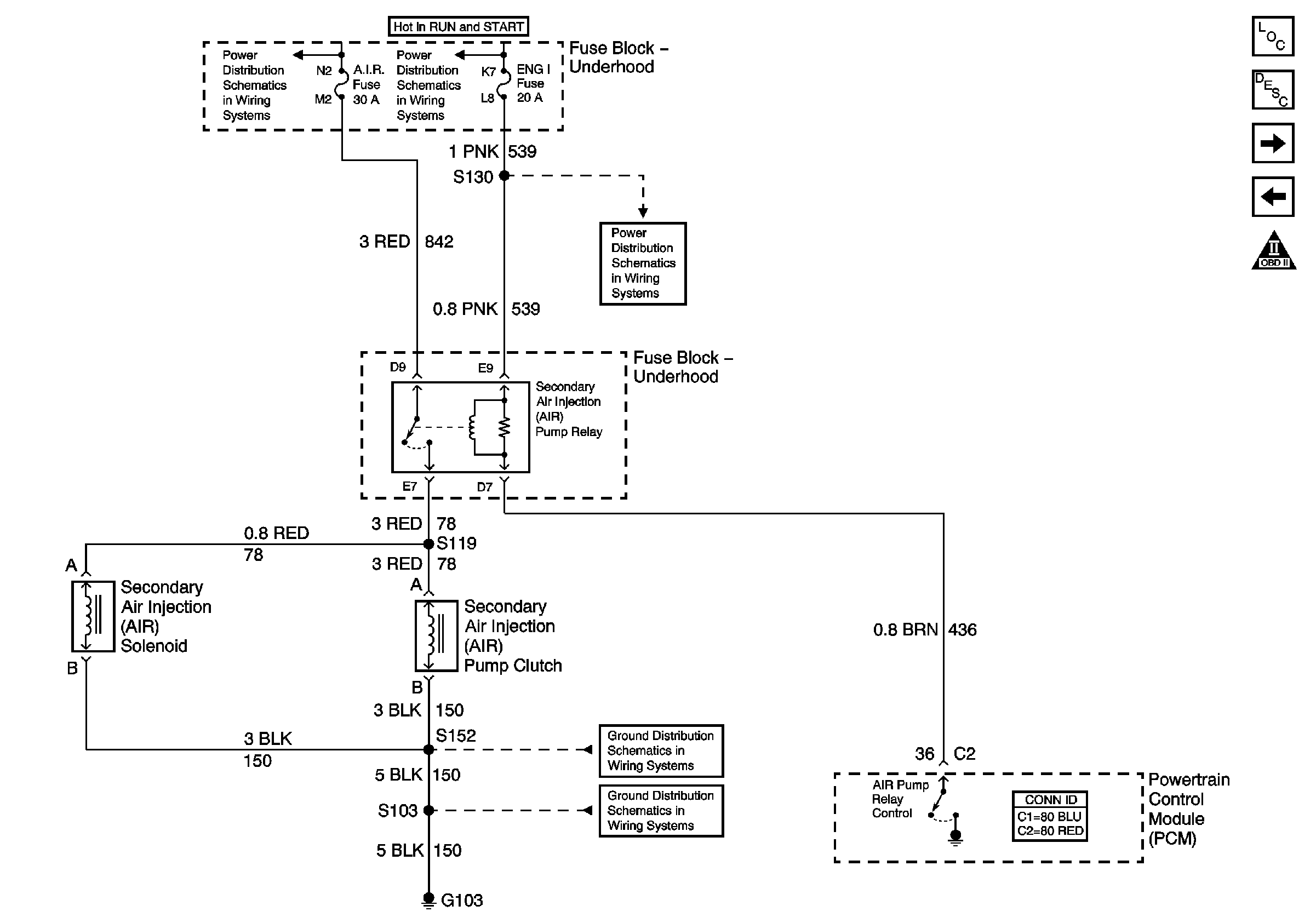
🢒 Secondary AIR Controls
Secondary AIR Controls
Secondary AIR Controls
Master Electrical Component List
Powertrain Control Module Description
Automatic Transmission Control References 4L80-E
Heated Oxygen Sensors
OBD II Symbol Description Notice
Battery, Auxiliary Battery, and Underhood Fuse/Relay Center
Ignition A, Ignition B Fuses, and Ignition Switch
Engine 1 Fuse (4.3L, 5.0L, and 5.7L)
G103 (8.1L Engine)