GM Service Manual Online
For 1990-2009 cars only
Makes
🢒
Chevrolet
🢒
2001
🢒
Express
🢒 Ignition Controls
Ignition Controls
Ignition Controls
Master Electrical Component List
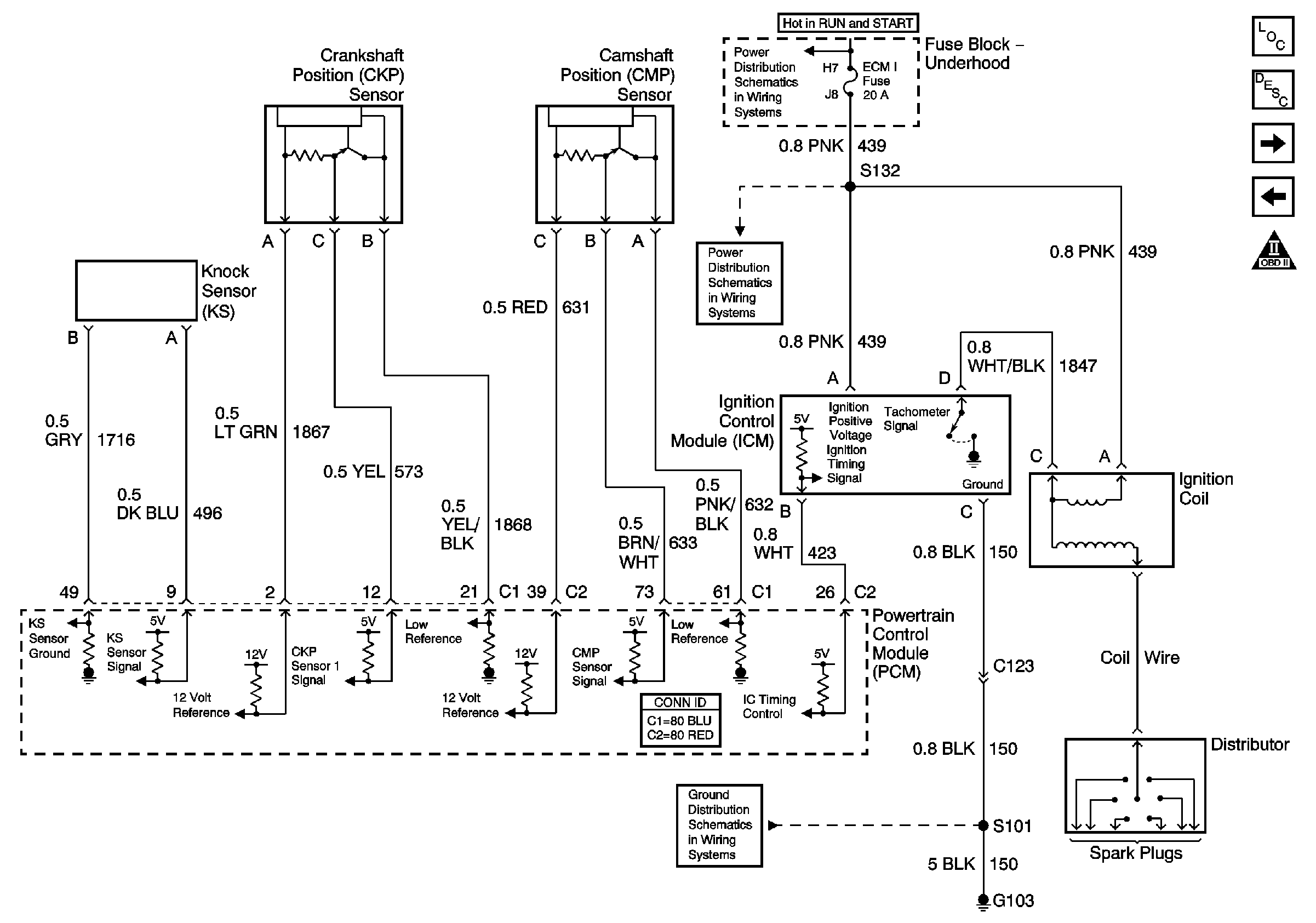
Distributor Ignition (DI) System Description
Fuel Pump Controls
Power, Ground, MIL and DLC
Ignition A, Ignition B Fuses, and Ignition Switch
ECM 1 and Ignition E Fuses (4.3L)
G103 (4.3L, 5.0L, and 5.7L Engines)
OBD II Symbol Description Notice