GM Service Manual Online
For 1990-2009 cars only
Makes
🢒
Chevrolet
🢒
2001
🢒
Express
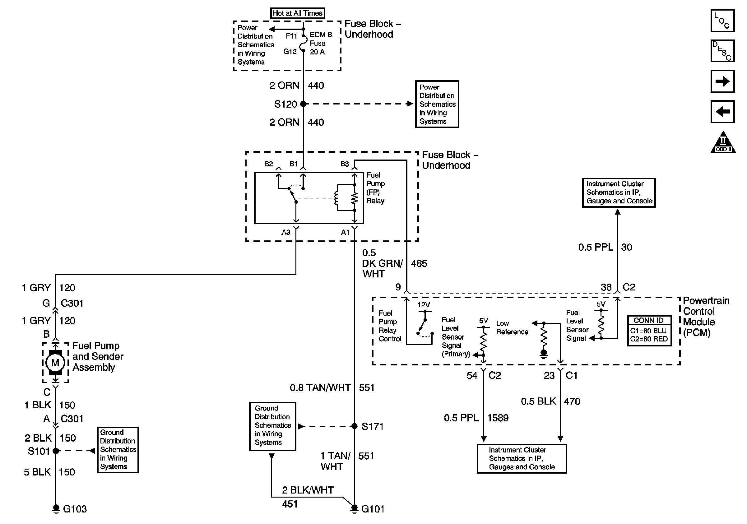
🢒 Fuel Pump Controls
Fuel Pump Controls
Fuel Pump Controls
Master Electrical Component List
Fuel System Description
Fuel Injector Controls
Ignition Controls
Battery, Auxiliary Battery, and Underhood Fuse/Relay Center
ECM B, Horn, and A/C Fuses
G103 (4.3L, 5.0L, and 5.7L Engines)
G101 (Gasoline Engines)
Gauges
Gauges
OBD II Symbol Description Notice