GM Service Manual Online
For 1990-2009 cars only
Makes
🢒
Chevrolet
🢒
2001
🢒
Express
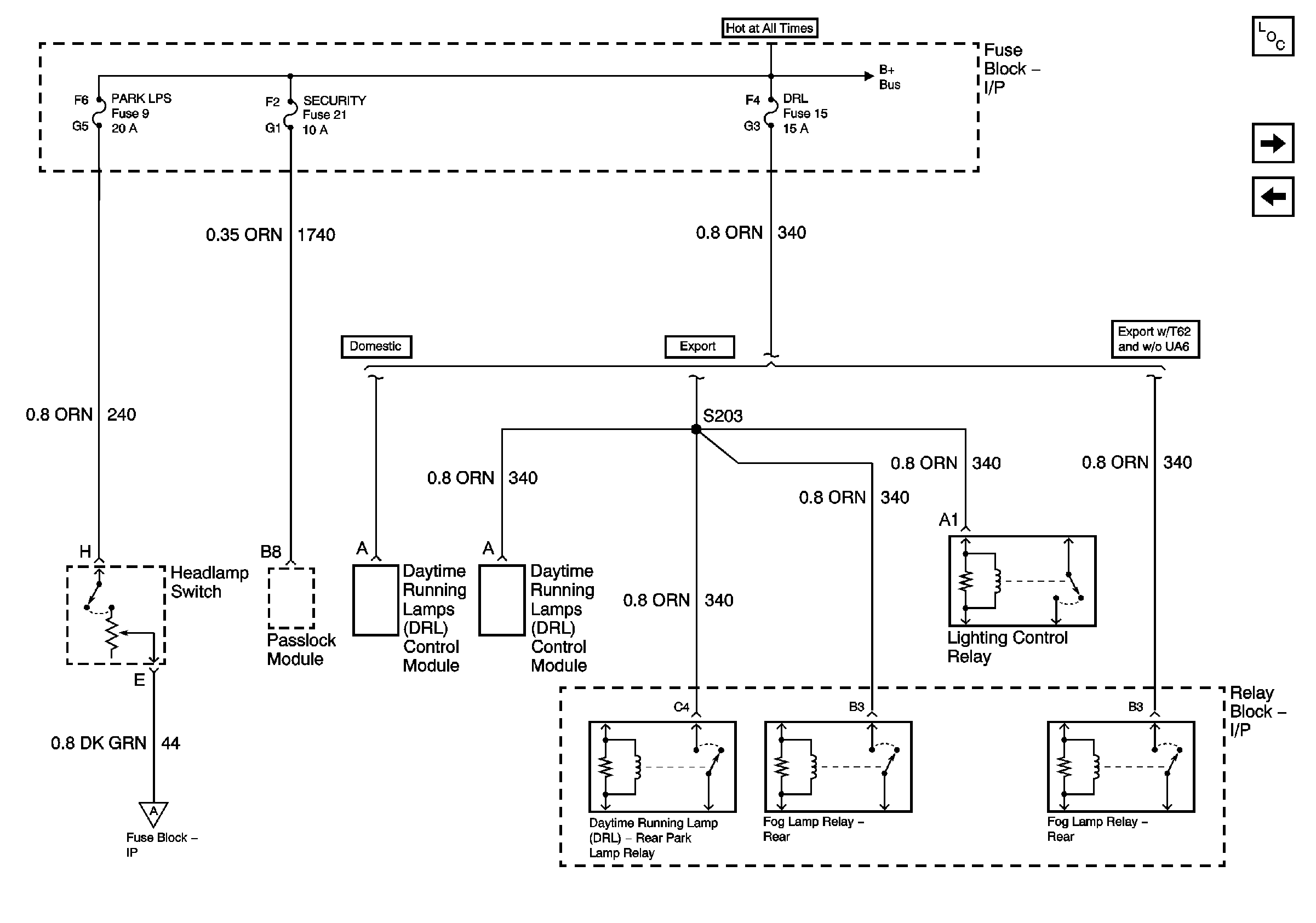
🢒 Park Lamps, Security, and DRL Fuses
Park Lamps, Security, and DRL Fuses
Park Lamps, Security, and DRL Fuses
Master Electrical Component List
Courtesy, Air Bags, and Turn Backup Fuses
Stop, Power Auxiliary, Cigar Lighter, and Radio B Fuses
Lighting and Battery Fuses
Illumination Fuse and Headlamp Switch