GM Service Manual Online
For 1990-2009 cars only
Makes
🢒
Chevrolet
🢒
2001
🢒
Express
🢒 Wheel Speed Sensors, VSS and Brake Pressure Switch
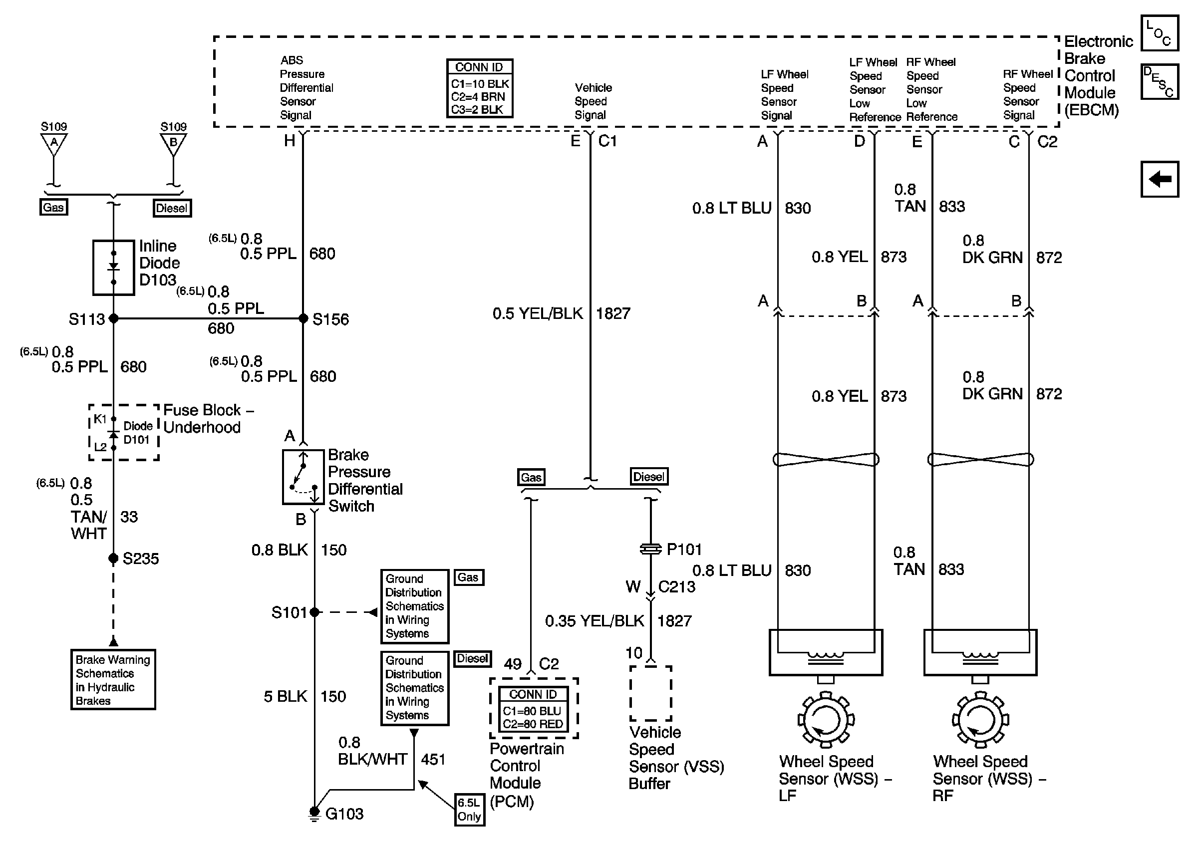
Wheel Speed Sensors, VSS and Brake Pressure Switch
Wheel Speed Sensors, VSS and Brake Pressure Switch
Master Electrical Component List
ABS Description and Operation
Power, Ground, DLC and Indicator (Diesel)
Power, Ground, DLC and Indicator (Gas)
Power, Ground, DLC and Indicator (Diesel)
PWR, Switch and Alarm Delay Module (Non DRL)
G101 (Gasoline Engines)
G101 (6.5L Diesel Engine)