GM Service Manual Online
For 1990-2009 cars only
Makes
🢒
Chevrolet
🢒
2001
🢒
Express
🢒 License Plate Lamps (Export Only)
License Plate Lamps (Export Only)
License Plate Lamps (Export Only)
Master Electrical Component List
Theft Systems Description and Operation
Rear Lamps (Export Only)
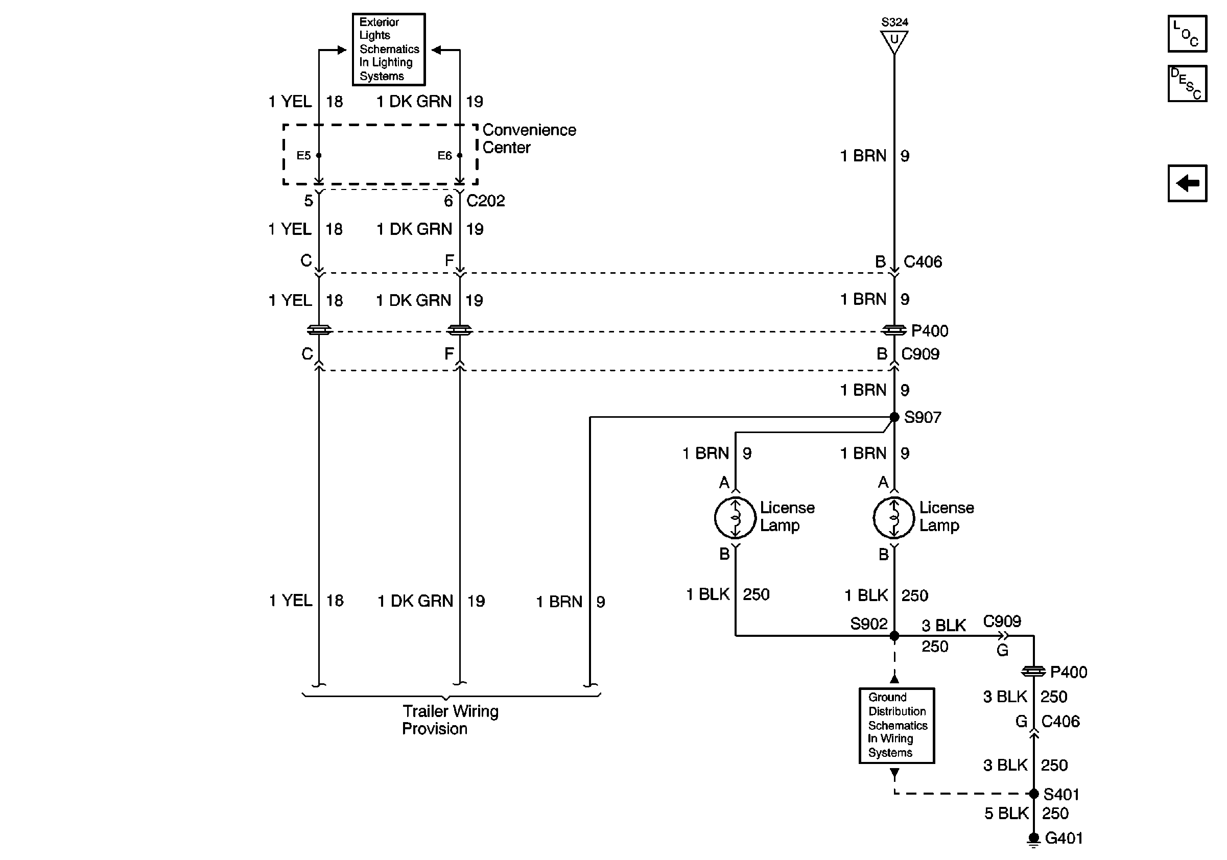
Rear License Plate Lamps
Rear Lamps (Export Only)
G401