GM Service Manual Online
For 1990-2009 cars only
Makes
🢒
Chevrolet
🢒
2001
🢒
Express
🢒 Rear Lamps (Export Only)
Rear Lamps (Export Only)
Rear Lamps (Export Only)
Master Electrical Component List
Theft Systems Description and Operation
License Plate Lamps (Export Only)
Front Lamps (Export Only)
Front Lamps (Export Only)
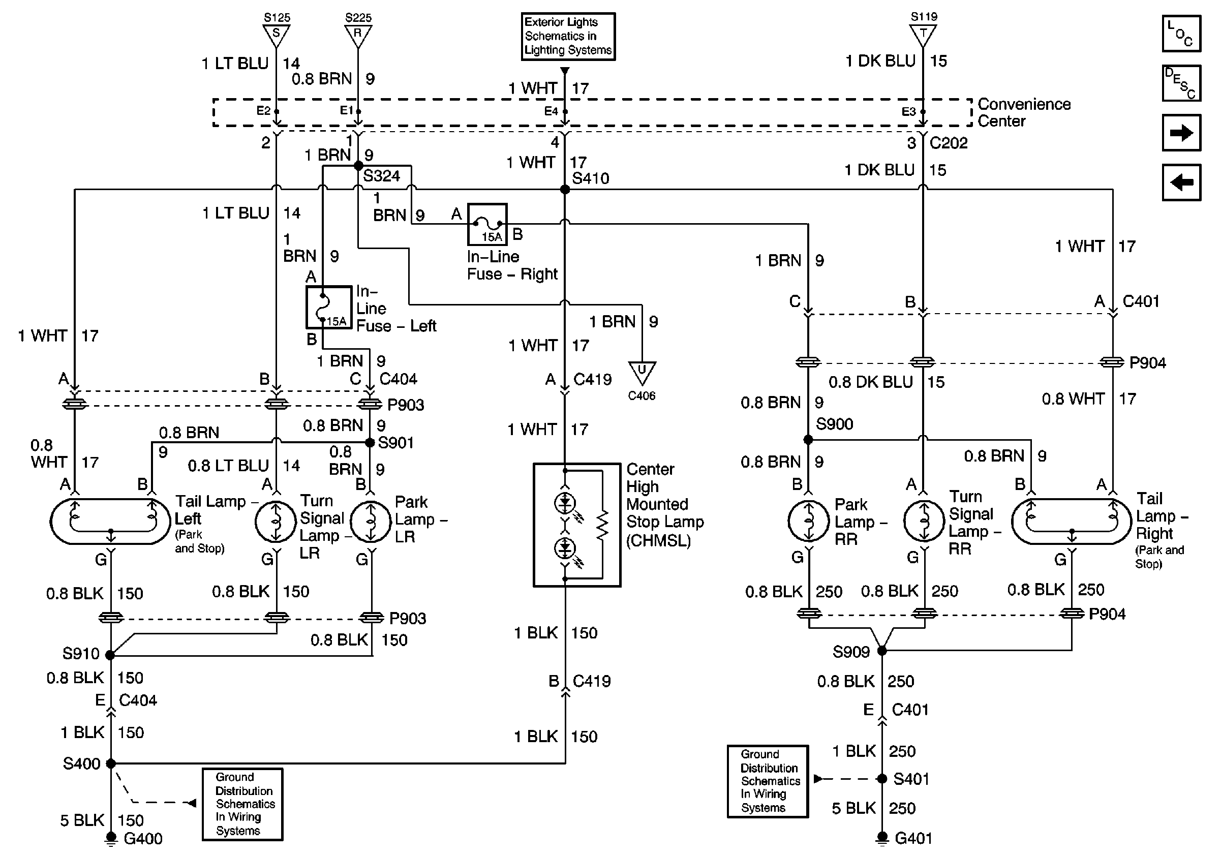
Rear Lamps
Front Lamps (Export Only)
License Plate Lamps (Export Only)
G400
G401