GM Service Manual Online
For 1990-2009 cars only
Makes
🢒
Chevrolet
🢒
2001
🢒
Express
🢒 IP Illumination
IP Illumination
IP Illumination
Master Electrical Component List
Interior Lighting Systems Description and Operation
Additional Control Illumination Lamps with Y91
ILLUM and PARK LPS Fuses
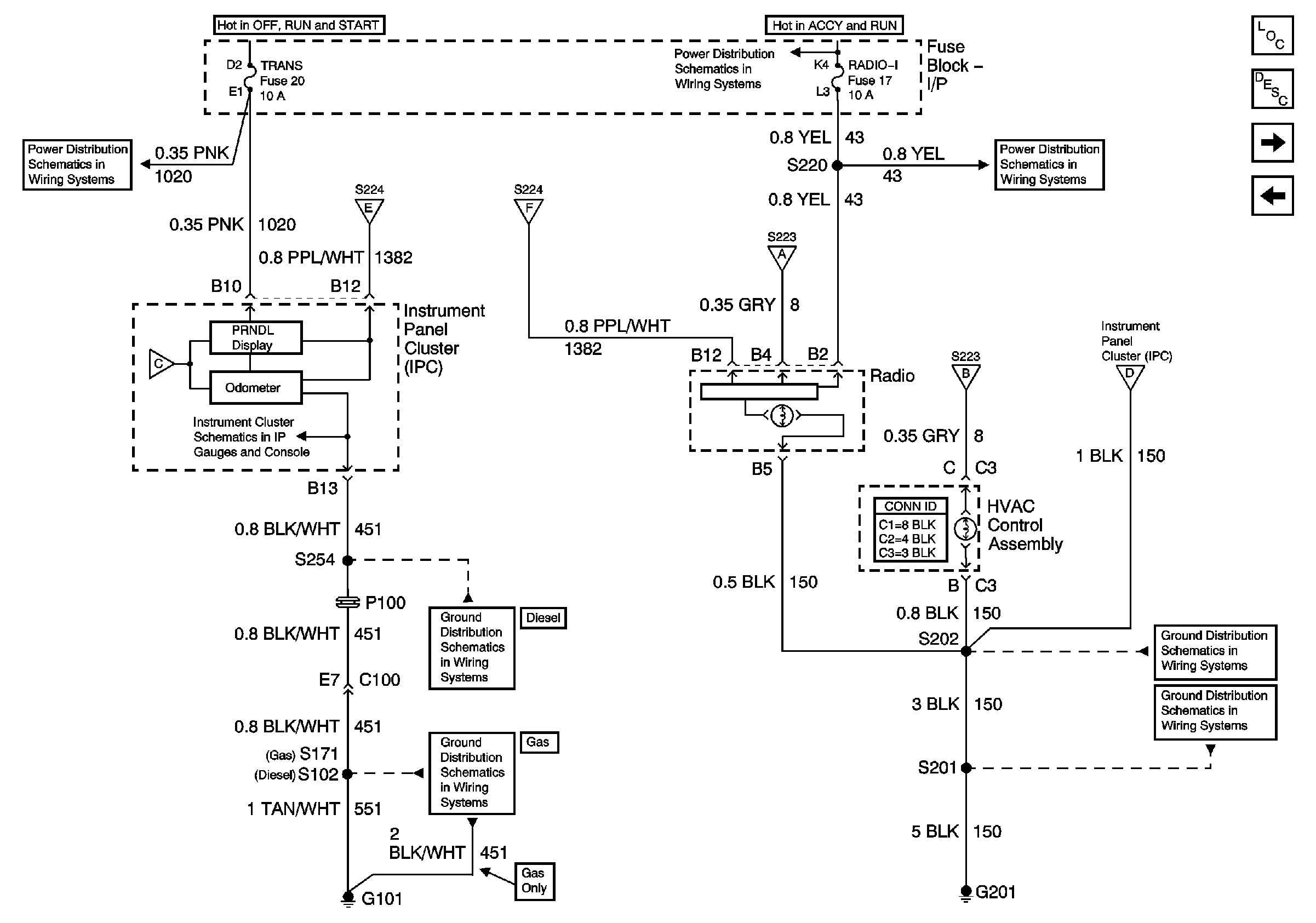
Radio 1, Wiper, Transmission, and Crank Fuses
Ignition A, Ignition B Fuses, and Ignition Switch
Radio 1, Wiper, Transmission, and Crank Fuses
Headlamp Switch, Instrument Cluster, Park/Neutral Position Switch
ILLUM and PARK LPS Fuses
ILLUM and PARK LPS Fuses
ILLUM and PARK LPS Fuses
ILLUM and PARK LPS Fuses
ILLUM and PARK LPS Fuses
ILLUM and PARK LPS Fuses
Components through S202 and S205 to G201
G201
G101 (6.5L Diesel Engine)
G101 (Gasoline Engines)