GM Service Manual Online
For 1990-2009 cars only
Makes
🢒
Chevrolet
🢒
2001
🢒
Express
🢒 Gauges
Gauges
Gauges
Master Electrical Component List
Instrument Cluster Description and Operation
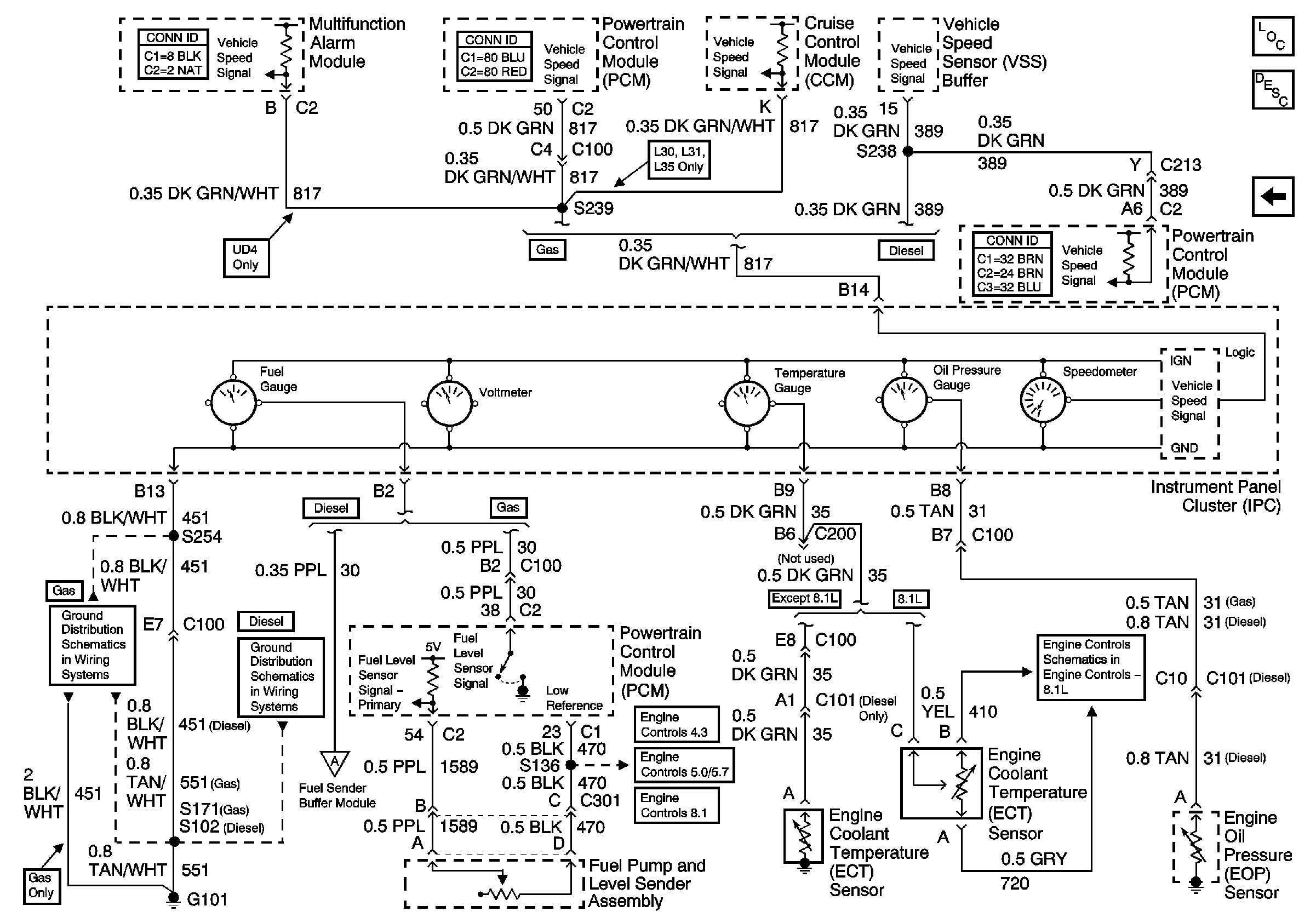
Indicators 2 of 2 (Gas and Diesel) and Fuel Sender Buffer Module (Diesel Only)
G101 (Gasoline Engines)
G101 (6.5L Diesel Engine)
Indicators 2 of 2 (Gas and Diesel) and Fuel Sender Buffer Module (Diesel Only)
EVAP and EGR Controls
EVAP and EGR Controls
Sensor Controls: EGR, Fuel Tank Pressure Sensor, MAP, IAT, ECT
Sensor Controls: EGR, Fuel Tank Pressure Sensor, MAP, IAT, ECT