GM Service Manual Online
For 1990-2009 cars only
Makes
🢒
Chevrolet
🢒
2001
🢒
Express
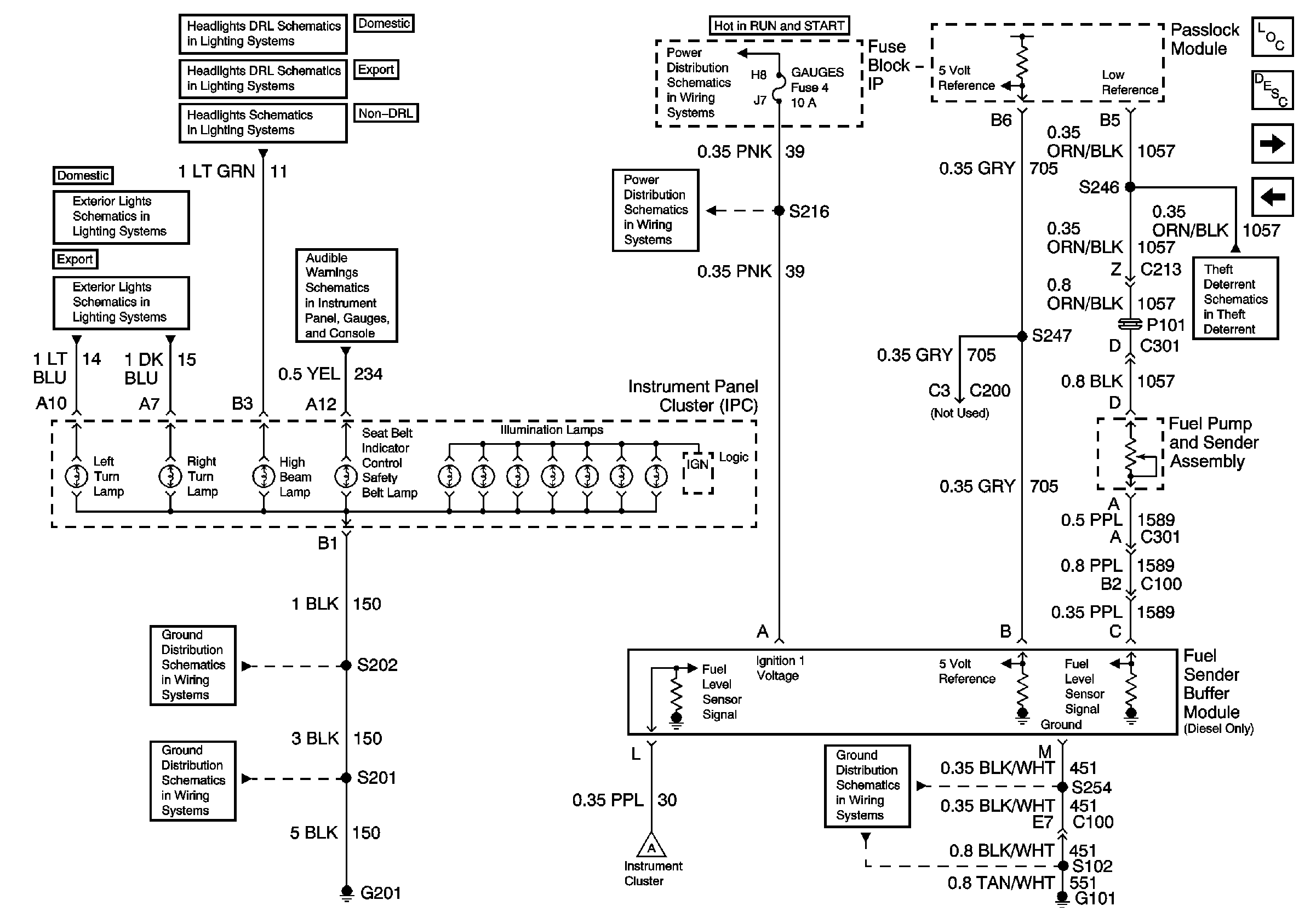
🢒 Indicators 2 of 2 (Gas and Diesel) and Fuel Sender Buffer Module (Diesel Only)
Indicators 2 of 2 (Gas and Diesel) and Fuel Sender Buffer Module (Diesel Only)
Indicators 2 of 2 (Gas and Diesel) and Fuel Sender Buffer Module (Diesel Only)
Master Electrical Component List
Instrument Cluster Description and Operation
Gauges
Indicators 1 of 2 (Diesel)
DRL Control Module, Headlamp Switch, Muti-Function Switch
DRL Rear Parklamp Relay
Headlamp Switch, Muti-Function Switch, Headlamps
Hazard Warning Switch, Turn/Hazard Lamp Flasher
Turn/Hazard Lamp Flasher
Components through S202 and S205 to G201
G201
GAUGES, ILLUM, HAZARD, PARK LPS Fuses; Multi-Function Alarm Module; Left Front Door Jamb Switch; G201 (4.3L, 5.0L, and 5.7L)
Ignition A, Ignition B Fuses, and Ignition Switch
Gauges Fuse
Passlock (Diesel)
Gauges
G101 (Gasoline Engines)