GM Service Manual Online
For 1990-2009 cars only

DTC P0723 Diesel Only


Object Number: 700779  Size: LF
Master Electrical Component List
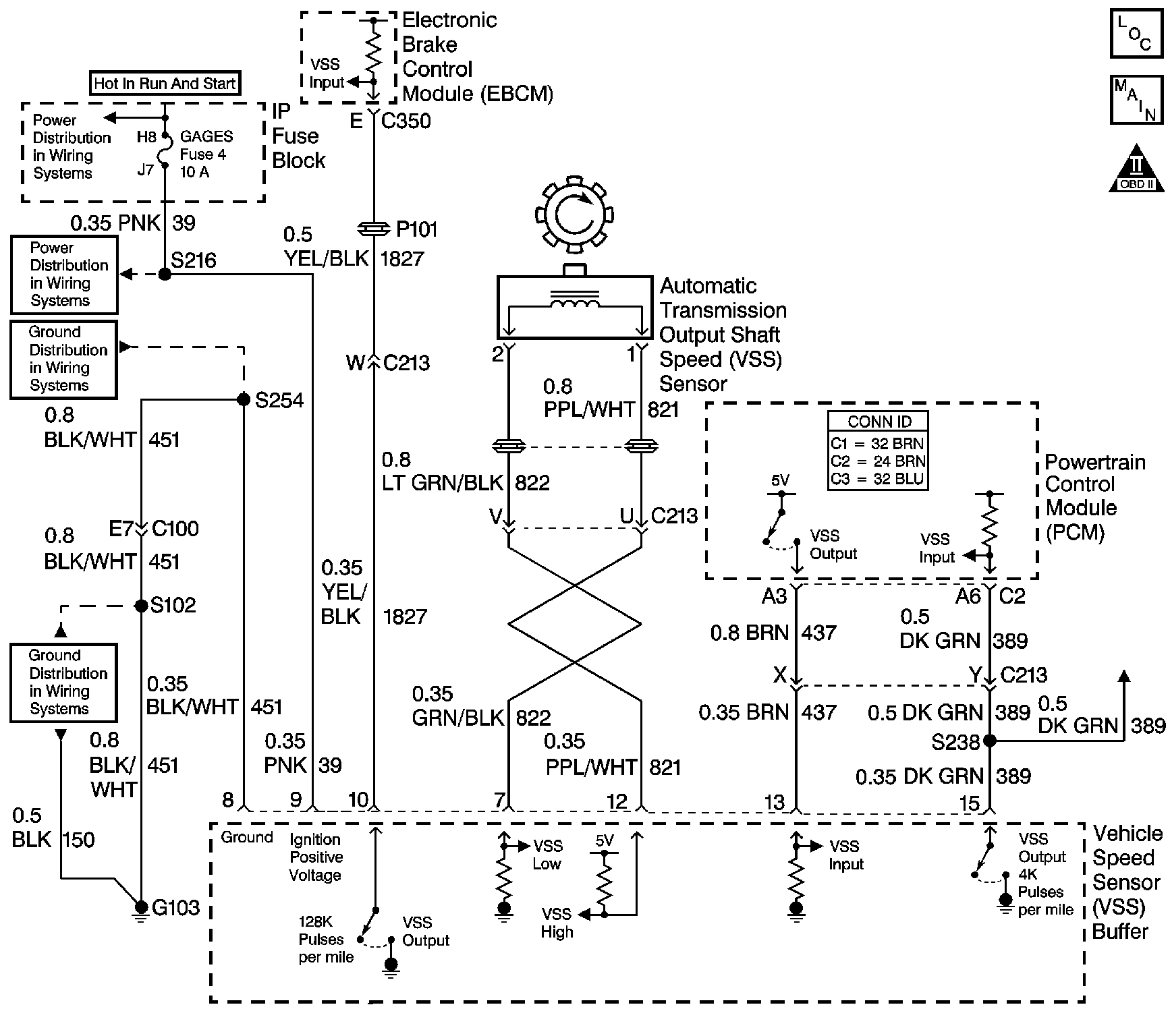
Automatic Transmission Controls Schematics 4L80E Diesel
OBD II Symbol Description Notice

Circuit Description

The speed sensor circuit consists of a magnetic induction type sensor, which is the output shaft speed (OSS) sensor, a vehicle speed sensor (VSS) buffer module, and wiring. Gear teeth pressed onto the output shaft carrier assembly induce an alternating voltage into the sensor. This signal transmits to the VSS buffer module. The VSS buffer module compensates for various final drive ratios. The VSS buffer module also converts the alternating current (AC) OSS signal into a 40 pulse per revolution (PPR) 5-volt DC square wave form signal to indicate transmission output speed.

If the PCM detects an unrealistically large change in the output shaft speed (OSS) sensor reading, then DTC P0723 sets. DTC P0723 is a type B DTC.

Conditions for Running the DTC

    • No TFP manual valve position switch DTC P1810.
    • No TFP manual valve position switch change for greater than 6 seconds.
    • The engine must be running more than 475 RPM for at least 7 seconds.
    • System voltage is 8-18 volts.

Conditions for Setting the DTC

The OSS RPM decrease is greater than 1,000 RPM while in a DRIVE gear for at least 3.5 seconds.

Action Taken When the DTC Sets

    • The PCM illuminates the malfunction indicator lamp (MIL) during the second consecutive trip in which the Conditions for Setting the DTC are met.
    • The PCM commands to maximum line pressure.
    • The PCM freezes shift adapts.
    • The PCM defaults to the calculated output speed value using the ISS sensor values.
    • The PCM records the operating conditions when the Conditions for Setting the DTC are met. The PCM stores this information as Freeze Frame and Failure Records.
    • The PCM stores the DTC P0723 in PCM history during the second consecutive trip in which the Conditions for Setting the DTC are met.

Conditions for Clearing the MIL/DTC

    • For Federal and California emissions, the PCM turns OFF the MIL during the third consecutive trip in which the diagnostic test runs and passes.
    • A scan tool can clear the MIL/DTC.
    • For Federal and California emissions, the PCM clears the DTC from PCM history if the vehicle completes 40 warm-up cycles without an emission related diagnostic fault occurring.
    • For vehicles equal to or greater than 15,000 lbs GVW, the PCM clears the DTC from PCM history if the vehicle completes 40 warm-up cycles without a non-emission related diagnostic fault occurring.
    • The PCM cancels the DTC default actions when the fault no longer exists and the ignition switch is OFF long enough in order to power down the PCM.

Diagnostic Aids

DTC P0723 defaults to an elevated line pressure condition which may result in TCC partial apply. This may induce idle surge and engine stall.

Test Description

The numbers below refer to the step numbers on the diagnostic table.

  1. This step verifies the fault condition.

  2. This step verifies the OSS sensor.

  3. This step tests the voltage supply to the VSS buffer module.

  4. This step tests the integrity of the ground circuit.

P0723

Step

Action

Value(s)

Yes

No

1

Did you perform the Powertrain Diagnostic System Check?

--

Go to Step 2

Go to Diagnostic System Check - Engine Controls in Engine Controls

2

  1. Install a Scan Tool .
  2. Turn ON the ignition, with the engine OFF.
  3. Important: Before clearing the DTC, use the Scan Tool in order to record the Freeze Frame and Failure Records for reference. The Clear Info function will erase the data.

  4. Record the DTC Freeze Frame and Failure Records.
  5. Clear the DTC.
  6. Raise the drive wheels and support the axle assembly.
  7. Start the engine and place the transmission in D1 range.
  8. Gradually increase the wheel speed.

Does the transmission OSS increase with the drive wheel speed?

--

Go to Intermittent Conditions in Engine Controls

Go to Step 3

3

  1. Turn OFF the ignition.
  2. Disconnect the OSS sensor connector from the OSS sensor.
  3. Connect a J 39200 digital multimeter (DMM) on AC voltage scale between terminals 1 and 2 at the OSS sensor.
  4. Start the engine, and place the transmission in D1 range.
  5. With the wheels turning, slowly accelerate to 2,000 engine RPM.

Does the voltage measure greater than the specified value?

2.0 AC V at 2,000 RPM

Go to Step 4

Go to Step 14

4

  1. Reconnect the OSS sensor connector to the OSS sensor.
  2. Disconnect the VSS buffer harness from the VSS buffer.
  3. Using the J 39200 DMM measure the voltage between terminals 7 and 12 of the speed buffer harness connector.
  4. Start the engine, and place the transmission in D1.
  5. With the wheels turning, slowly accelerate engine speed to 2,000 RPM.

Does the voltage measure greater than the specified value?

2.0 V AC at 2,000 RPM

Go to Step 7

Go to Step 5

5

Test the signal circuit (CKT 821) and the ground circuit (CKT 822) of the OSS sensor for an intermittent open circuit between the VSS buffer and the OSS sensor.

Refer to Circuit Testing and Wiring Repairs in Wiring Systems.

Did you find and correct the condition?

--

Go to Step 17

Go to Step 6

6

Test the signal circuit (CKT 821) and the ground circuit (CKT 822) of the OSS sensor for an intermittent short together between the VSS buffer and the OSS sensor.

Refer to Circuit Testing and Wiring Repairs in Wiring Systems.

Did you find and correct the condition?

--

Go to Step 17

Go to Intermittent Conditions in Engine Controls

7

Test the ignition feed circuit (CKT 39) of the VSS buffer for an intermittent high resistance or an open.

Did you find and correct the condition?

--

Go to Step 17

Go to Step 8

8

Test the ground circuit (CKT 451) of the VSS buffer for an intermittent high resistance or an open.

Did you find and correct the condition?

--

Go to Step 17

Go to Step 9

9

  1. Disconnect the VSS speed buffer connector.
  2. Turn ON the ignition, with the engine OFF.
  3. Test the vehicle speed signal circuit (CKT 437) of the VSS buffer for an intermittent voltage between terminal 13 and a good ground.

Does the voltage measure within the specified value?

4.8-5.2 V DC

Go to Step 13

Go to Step 10

10

Does the voltage in Step 9 measure greater than the specified value?

5.2 V DC

Go to Step 12

Go to Step 11

11

Test the vehicle speed signal circuit (CKT 437) of the VSS buffer for an intermittent short to ground between the PCM connector C2-A3 and the VSS buffer.

Refer to Circuit Testing and Wiring Repairs in Wiring Systems.

Did you find and correct the condition?

--

Go to Step 17

Go to Step 16

12

Test the vehicle speed signal circuit (CKT 437) of the VSS buffer for an intermittent short to power between the PCM connector C2-A3 and the VSS buffer.

Refer to Circuit Testing and Wiring Repairs in Wiring Systems.

Did you find and correct the condition?

--

Go to Step 17

Go to Step 16

13

  1. Reconnect the VSS buffer harness connector to the speed buffer module.
  2. With the J 39200 DMM set on DC volts and on a good ground, back probe terminal 13 of the VSS buffer module.
  3. Start the engine, and place the transmission in D1.
  4. With the wheels turning slowly, accelerate the engine speed to 2,000 RPM.

Does the voltage measure within the specified values?

1.5-3.5 V DC

Go to Step 16

Go to Step 15

14

Replace the OSS sensor.

Refer to Vehicle Speed Sensor Replacement .

Did you complete the replacement?

--

Go to Step 17

--

15

Replace the VSS buffer module.

Refer to VSS Buffer Replacement in Body and Accessories.

Did you complete the replacement?

--

Go to Step 17

--

16

Replace the PCM. Refer to Powertrain Control Module Replacement in Engine Controls.

Did you complete the replacement?

--

Go to Step 17

--

17

Perform the following procedure in order to verify the repair:

  1. Select DTC.
  2. Select Clear Info.
  3. Operate the vehicle under the following conditions:
  4. • Drive the vehicle under steady acceleration above 10% APP.
    • The PCM must see an output speed greater than 500 RPM for 1 second.
  5. Select Specific DTC.
  6. Enter DTC P0723.

Has the test run and passed?

--

System OK

Go to Step 1