GM Service Manual Online
For 1990-2009 cars only
Makes
🢒
Chevrolet
🢒
2002
🢒
Express
🢒
Restraints
🢒
Seat Belts
🢒 Seat Belt Schematics
Master Electrical Component List
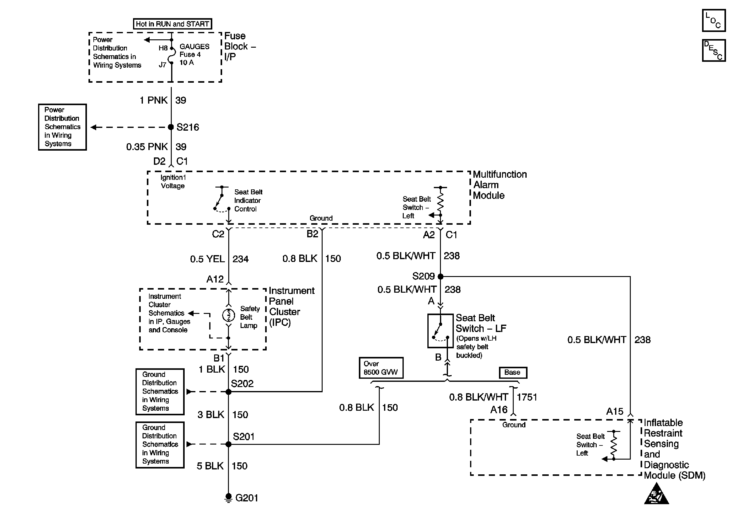
Seat Belt System Description and Operation
Ignition A, Ignition B Fuses, and Ignition Switch
Gages Fuse
Indicators 2 of 2 - Gas and Diesel and Fuel Sender Buffer Module- Diesel Only
Components through S202 and S205 to G201
G201
SIR Handling Caution