GM Service Manual Online
For 1990-2009 cars only
Makes
🢒
Chevrolet
🢒
2002
🢒
Express
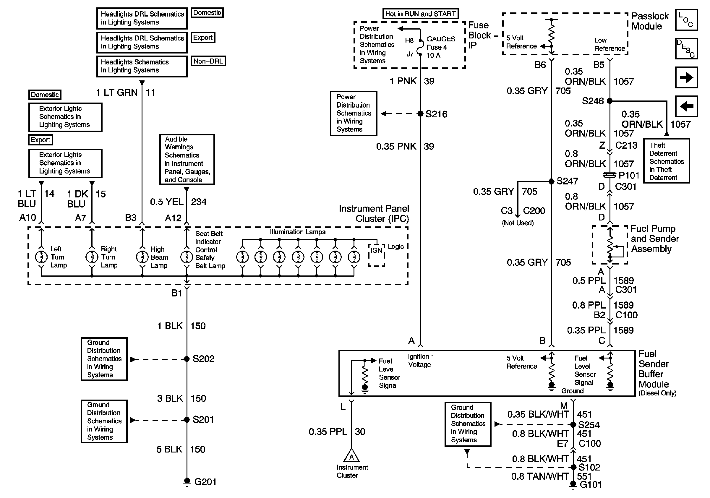
🢒 Indicators 2 of 2 - Gas and Diesel and Fuel Sender Buffer Module- Diesel Only
Indicators 2 of 2 - Gas and Diesel and Fuel Sender Buffer Module- Diesel Only
Indicators 2 of 2 - Gas and Diesel and Fuel Sender Buffer Module - Diesel Only
Master Electrical Component List
Indicator/Warning Message Description and Operation
Gages
Indicators 1 of 2 - Diesel
DRL Control Module, Headlamp and Dimmer Switches
DRL Rear Park Lamp Relay
Headlamp and Dimmer Switches (Export)
Hazard Warning Switch, Turn/Hazard Lamp Flasher
Turn/Hazard Lamp Flasher
Components through S202 and S205 to G201
G201
GAGES, ILLUM, HAZARD, PARK LPS Fuses; Multi-Function Alarm Module; Left Front Door Jamb Switch; G201 (Gas)
Ignition A, Ignition B Fuses, and Ignition Switch
Gages Fuse
Gages
G101 - Diesel Engine
Passlock - Diesel