GM Service Manual Online
For 1990-2009 cars only
Makes
🢒
Chevrolet
🢒
2002
🢒
Express
🢒 Engine Data Sensors: Pressure and Temperature
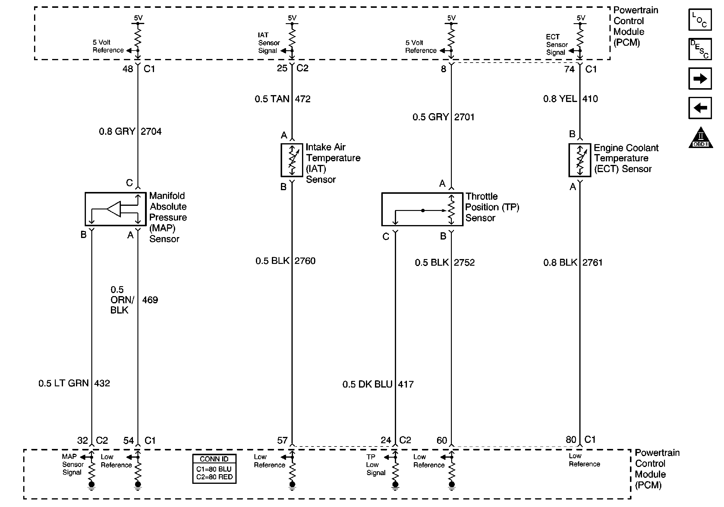
Engine Data Sensors: Pressure and Temperature
Engine Data Sensors: Pressure and Temperature
Master Electrical Component List
Powertrain Control Module Description
Engine Data Sensors: MAF and VSS
Module Power, Ground, Serial Data and MIL
OBD II Symbol Description Notice