GM Service Manual Online
For 1990-2009 cars only
Makes
🢒
Chevrolet
🢒
2002
🢒
Express
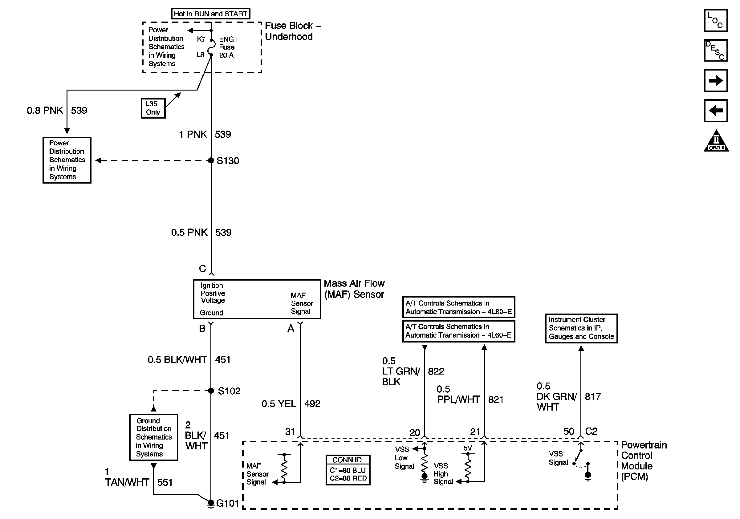
🢒 Engine Data Sensors: MAF and VSS
Engine Data Sensors: MAF and VSS
Engine Data Sensors: MAF and VSS
Master Electrical Component List
Powertrain Control Module Description
Engine Data Sensors: Heated Oxygen Sensors (5.0L, 5.7L with 4L60-E)
Engine Data Sensors: Pressure and Temperature
OBD II Symbol Description Notice
Ignition A, Ignition B Fuses, and Ignition Switch
Engine 1 Fuse - 4.3L, 5.0L, and 5.7L
G101 - Gasoline Engines
Gages
PWR and VSS Controls
Switches And VSS