GM Service Manual Online
For 1990-2009 cars only
Makes
🢒
Chevrolet
🢒
2002
🢒
Express
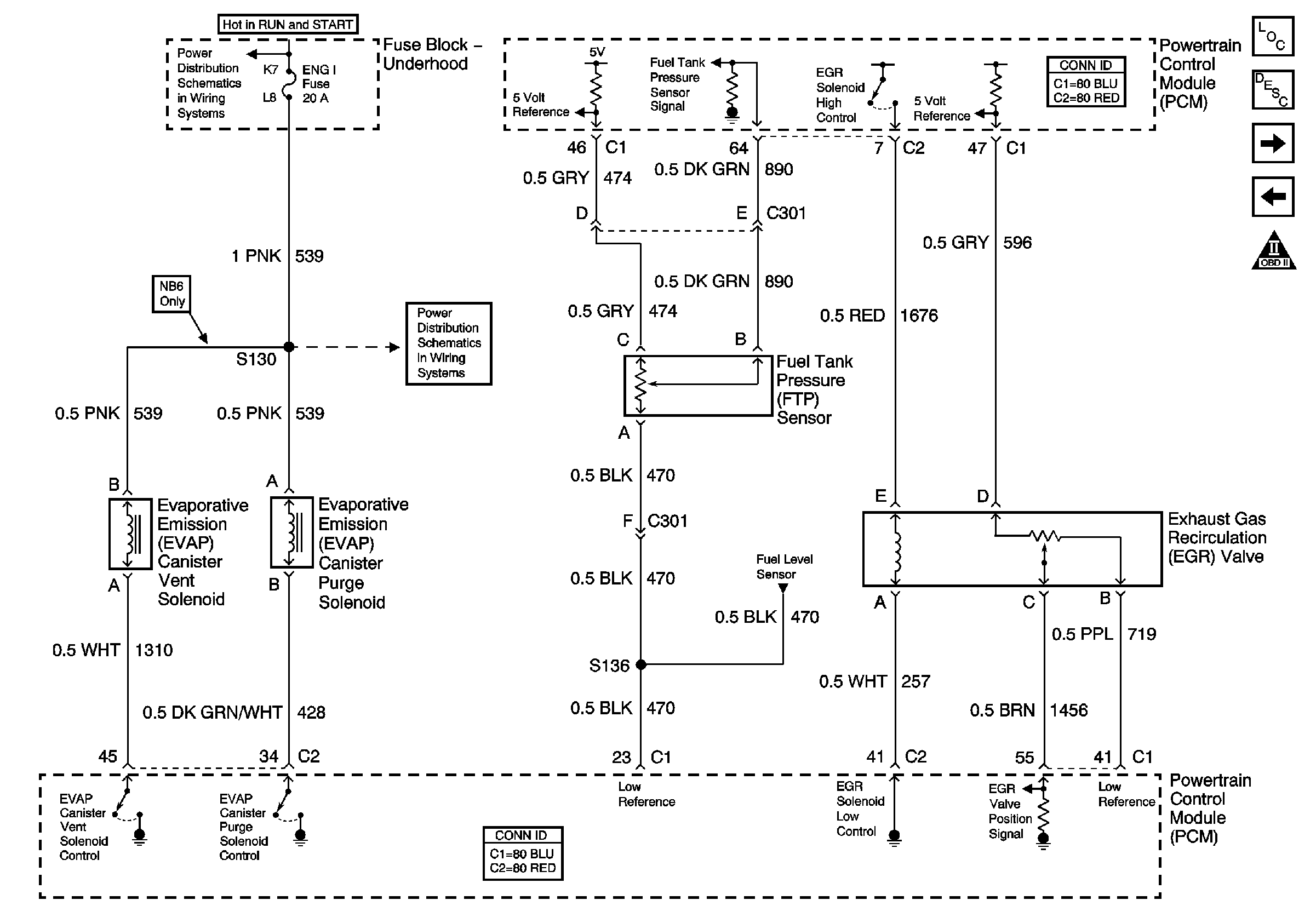
🢒 Fuel Controls: EVAP Controls
Fuel Controls: EVAP Controls
Fuel and Device Controls: EVAP and EGR Controls
Master Electrical Component List
Powertrain Control Module Description
Controlled/Monitored Subsystem References
Fuel Controls: Fuel Injectors
OBD II Symbol Description Notice
Ignition A, Ignition B Fuses, and Ignition Switch
Engine 1 Fuse - 6.5L and 8.1L