GM Service Manual Online
For 1990-2009 cars only
Makes
🢒
Chevrolet
🢒
2002
🢒
Express
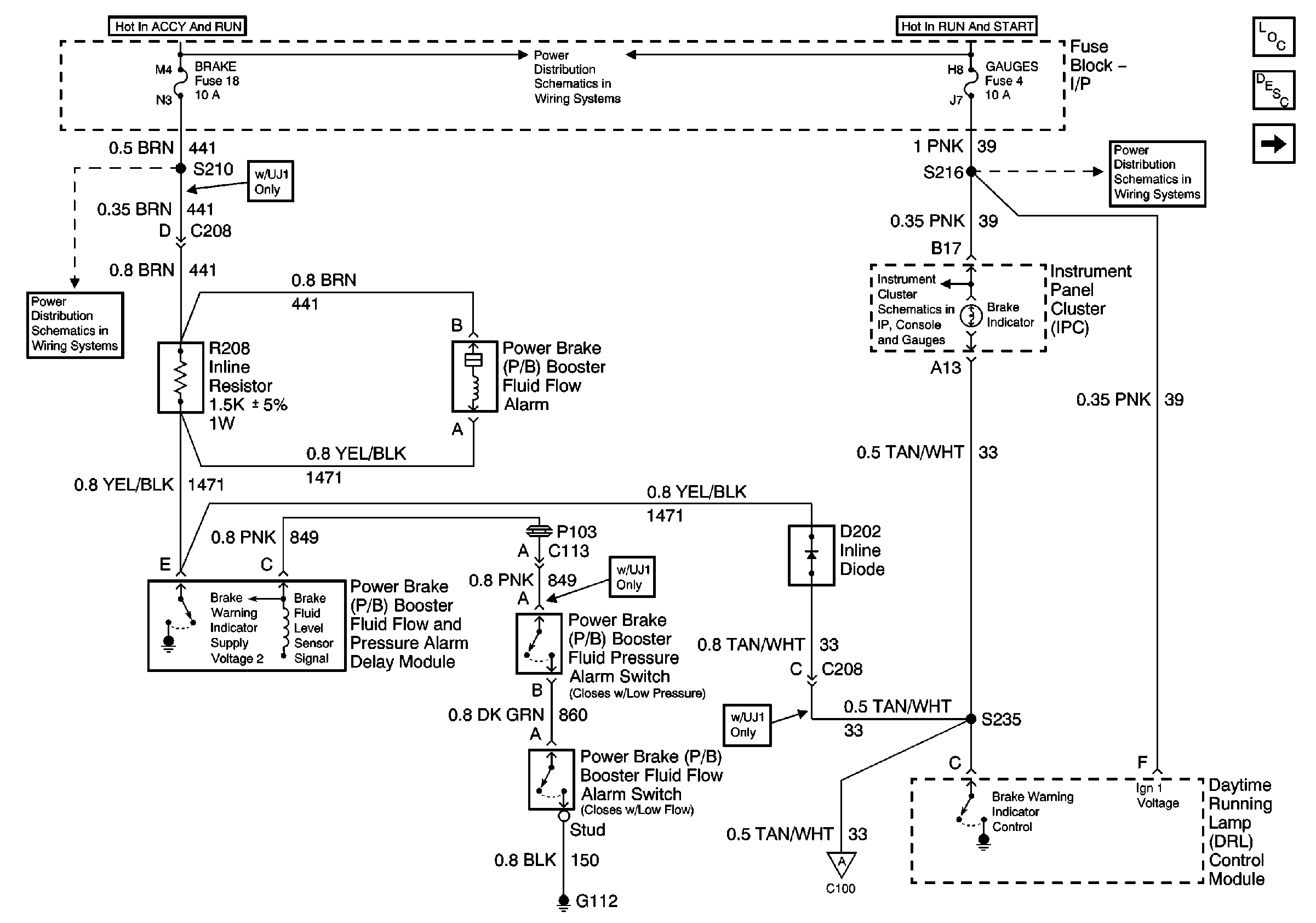
🢒 PWR, Switch and Alarm Delay Module
PWR, Switch and Alarm Delay Module
PWR, Switch and Alarm Delay Module
Master Electrical Component List
Brake Warning System Description and Operation DRL Equipped
PWR, GND and DRL Module
Cruise, Heater A/C, and Brake Fuses
Ignition A, Ignition B Fuses, and Ignition Switch
Headlamp Switch, Instrument Cluster, Park/Neutral Position Switch
PWR, GND and DRL Module
Gages Fuse