GM Service Manual Online
For 1990-2009 cars only
Makes
🢒
Chevrolet
🢒
2002
🢒
Express
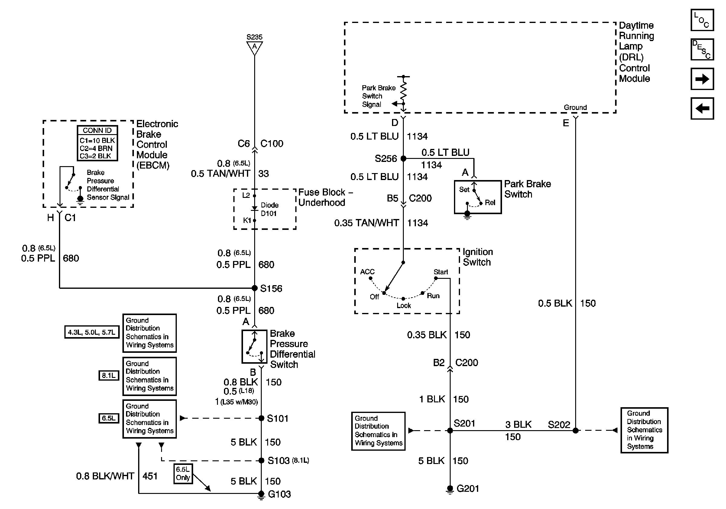
🢒 PWR, GND and DRL Module
PWR, GND and DRL Module
PWR, GND and DRL Module
Master Electrical Component List
Brake Warning System Description and Operation DRL Equipped
PWR, Switch and Alarm Delay Module (Non DRL)
PWR, Switch and Alarm Delay Module
G103 - 4.3L, 5.0L, and 5.7L Engines
G103 - 8.1L Engine
G103 - 6.5L Diesel Engine
PWR, Switch and Alarm Delay Module
G201
Components through S202 and S205 to G201