GM Service Manual Online
For 1990-2009 cars only
Makes
🢒
Chevrolet
🢒
2002
🢒
Express
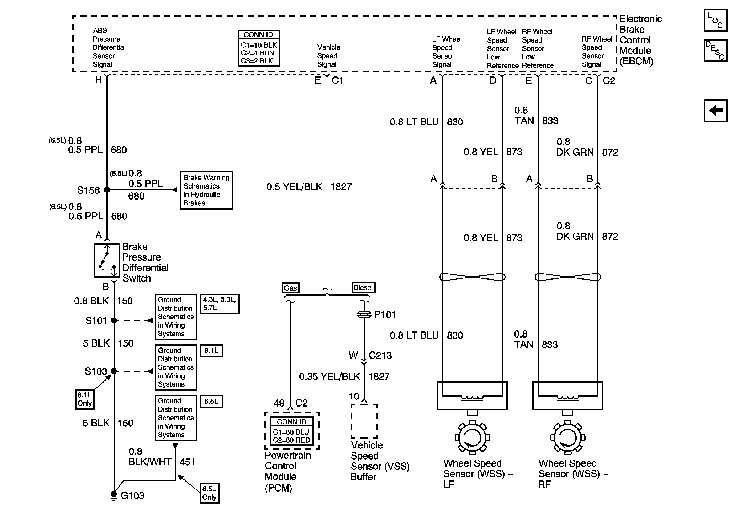
🢒 Wheel Speed Sensors, VSS and Brake Pressure Switch
Wheel Speed Sensors, VSS and Brake Pressure Switch
Wheel Speed Sensors, VSS and Brake Pressure Switch
Master Electrical Component List
ABS Description and Operation
Power, Ground, DLC and Indicator
PWR, GND and DRL Module
G103 - 4.3L, 5.0L, and 5.7L Engines
G103 - 8.1L Engine
G103 - 6.5L Diesel Engine