GM Service Manual Online
For 1990-2009 cars only
Makes
🢒
Chevrolet
🢒
2002
🢒
Express
🢒 Front Side Marker Lamps, Front Park and Turn Signal Lamps
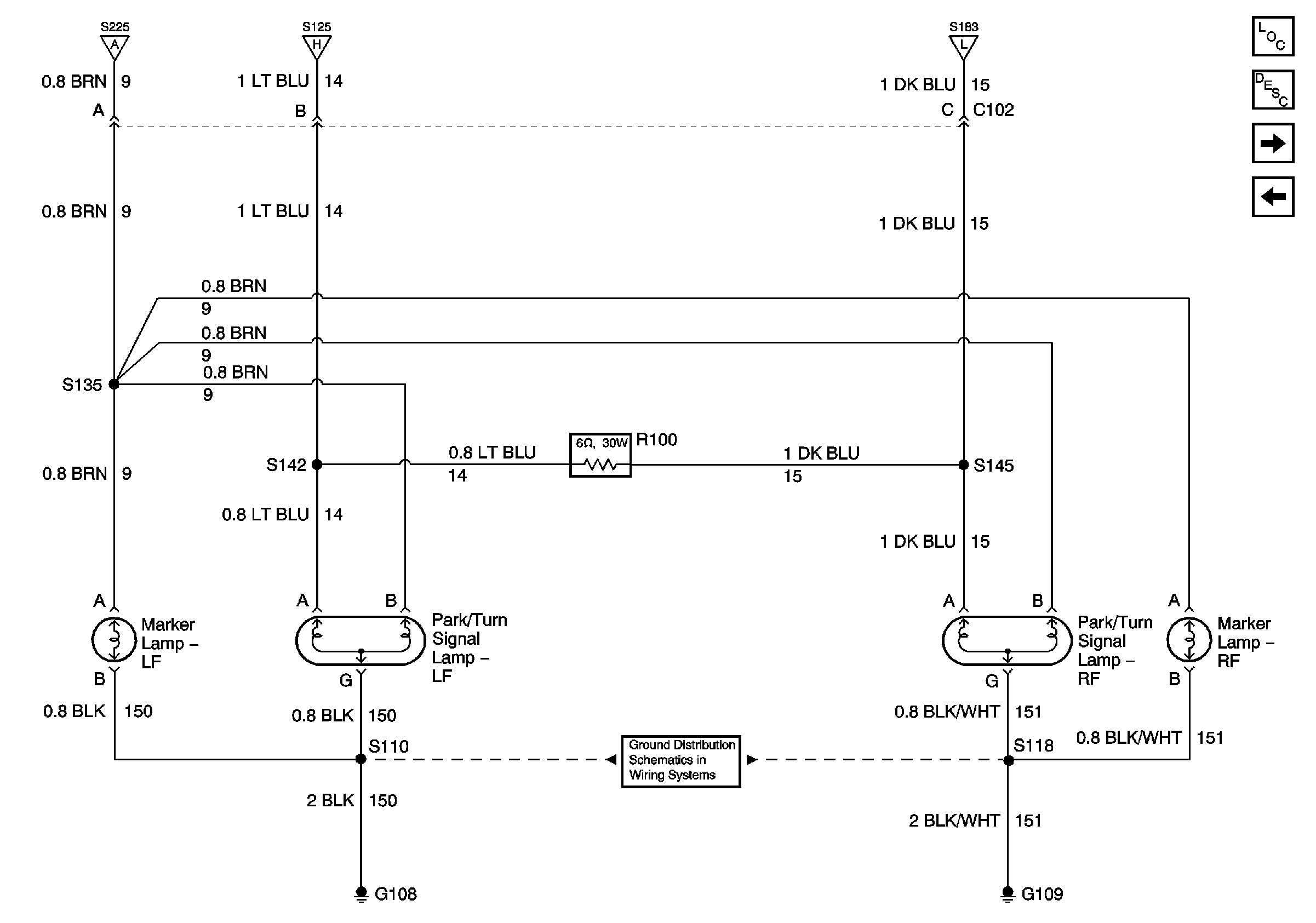
Front Side Marker Lamps, Front Park and Turn Signal Lamps
Front Side Marker Lamps, Front Park and Turn Signal Lamps
Master Electrical Component List
Exterior Lighting Systems Description and Operation
Front Side Marker Lamps, Front Park and Turn Signal Lamps - Composite
Hazard Warning Switch, Turn/Hazard Lamp Flasher
PARK LPS, TURN B/U, HAZARD and STOP Fuses
Hazard Warning Switch, Turn/Hazard Lamp Flasher
Hazard Warning Switch, Turn/Hazard Lamp Flasher
G108 and G109 - Domestic