GM Service Manual Online
For 1990-2009 cars only
Makes
🢒
Chevrolet
🢒
2002
🢒
Express
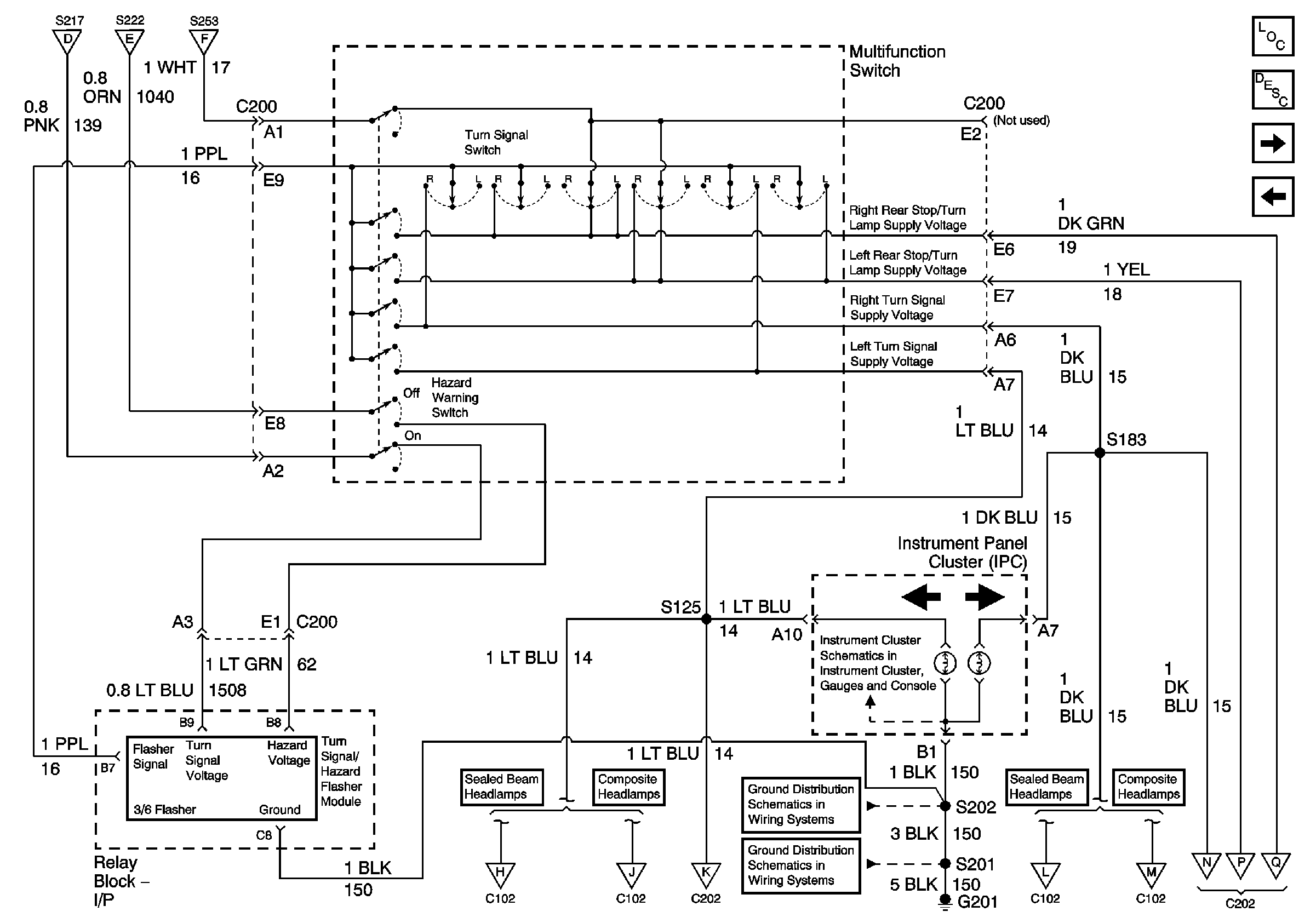
🢒 Hazard Warning Switch, Turn/Hazard Lamp Flasher
Hazard Warning Switch, Turn/Hazard Lamp Flasher
Hazard Warning Switch, Turn/Hazard Lamp Flasher
Master Electrical Component List
Exterior Lighting Systems Description and Operation
Front Side Marker Lamps, Front Park and Turn Signal Lamps
PARK LPS, TURN B/U, HAZARD and STOP Fuses
PARK LPS, TURN B/U, HAZARD and STOP Fuses
PARK LPS, TURN B/U, HAZARD and STOP Fuses
PARK LPS, TURN B/U, HAZARD and STOP Fuses
Indicators 2 of 2 - Gas and Diesel and Fuel Sender Buffer Module- Diesel Only
Components through S202 and S205 to G201
G201
Front Side Marker Lamps, Front Park and Turn Signal Lamps
Front Side Marker Lamps, Front Park and Turn Signal Lamps - Composite
Tail Lamps, Rear Park and Turn Signal Lamps, Center High Mounted Stoplamps, License Lamp
Front Side Marker Lamps, Front Park and Turn Signal Lamps
Front Side Marker Lamps, Front Park and Turn Signal Lamps - Composite
Tail Lamps, Rear Park and Turn Signal Lamps, Center High Mounted Stoplamps, License Lamp
Tail Lamps, Rear Park and Turn Signal Lamps, Center High Mounted Stoplamps, License Lamp
Tail Lamps, Rear Park and Turn Signal Lamps, Center High Mounted Stoplamps, License Lamp