GM Service Manual Online
For 1990-2009 cars only
Makes
🢒
Chevrolet
🢒
2002
🢒
Express
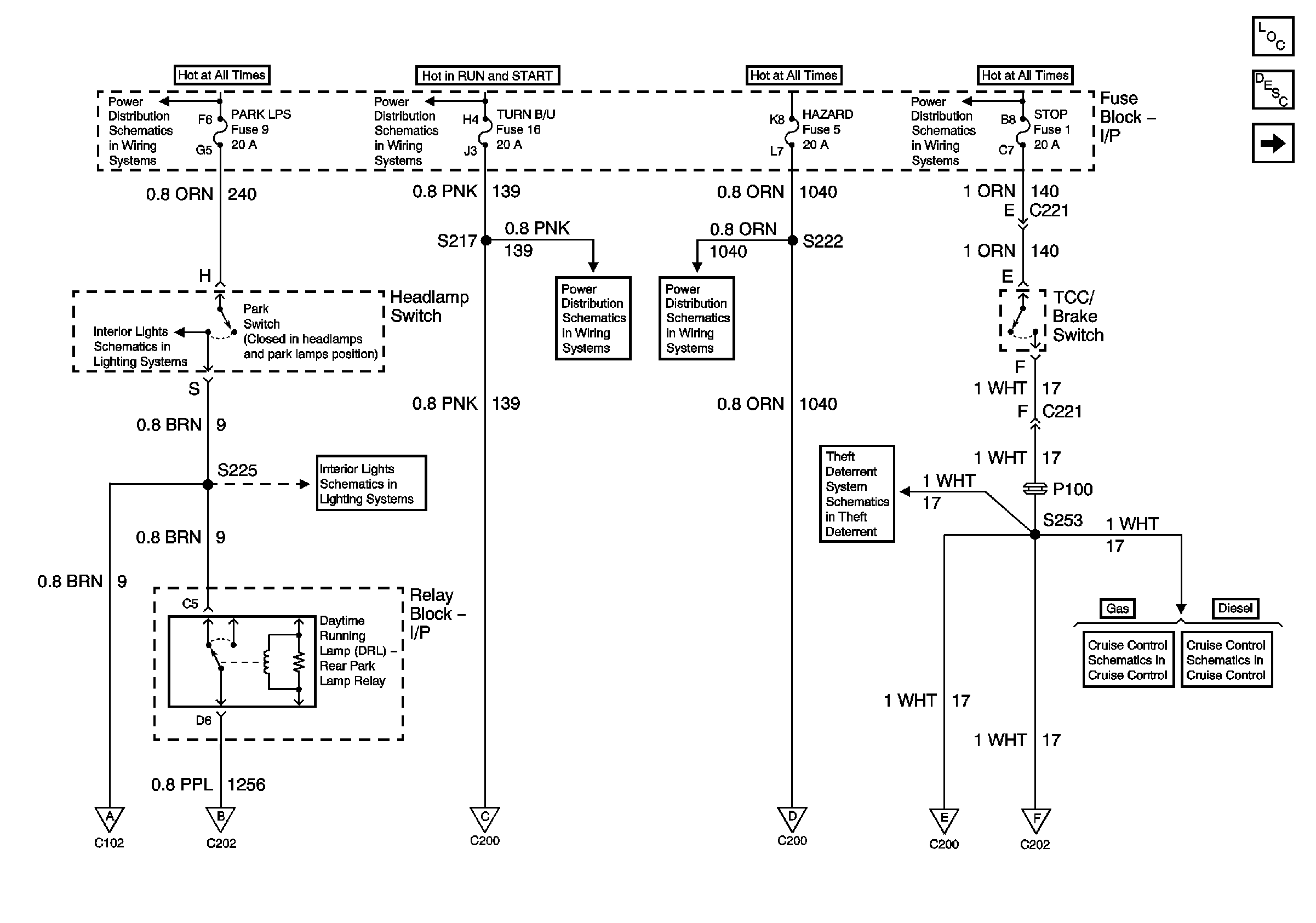
🢒 PARK LPS, TURN B/U, HAZARD and STOP Fuses
PARK LPS, TURN B/U, HAZARD and STOP Fuses
PARK LPS, TURN B/U, HAZARD and STOP Fuses
Master Electrical Component List
Exterior Lighting Systems Description and Operation
Turn/Hazard Lamp Flasher
Lighting and Battery Fuses
Ignition A, Ignition B Fuses, and Ignition Switch
Lighting and Battery Fuses
PWR ACCY, GAUGES and PARK LPS Fuses
PWR ACCY, GAUGES and PARK LPS Fuses
Courtesy, Air Bags, and Turn Backup Fuses
Power Windows, Heated Mirrors, Rear Defogger, and Hazard Fuses
VIM, Lighting Control, I/P Fuse Block - Export Only
4.3L, 5.0L and 5.7L Engines
6.5L Diesel Engine
Front Lamps
Rear Lamps
Turn/Hazard Lamp Flasher
Turn/Hazard Lamp Flasher
Turn/Hazard Lamp Flasher
Rear Lamps