GM Service Manual Online
For 1990-2009 cars only
Makes
🢒
Chevrolet
🢒
2002
🢒
Express
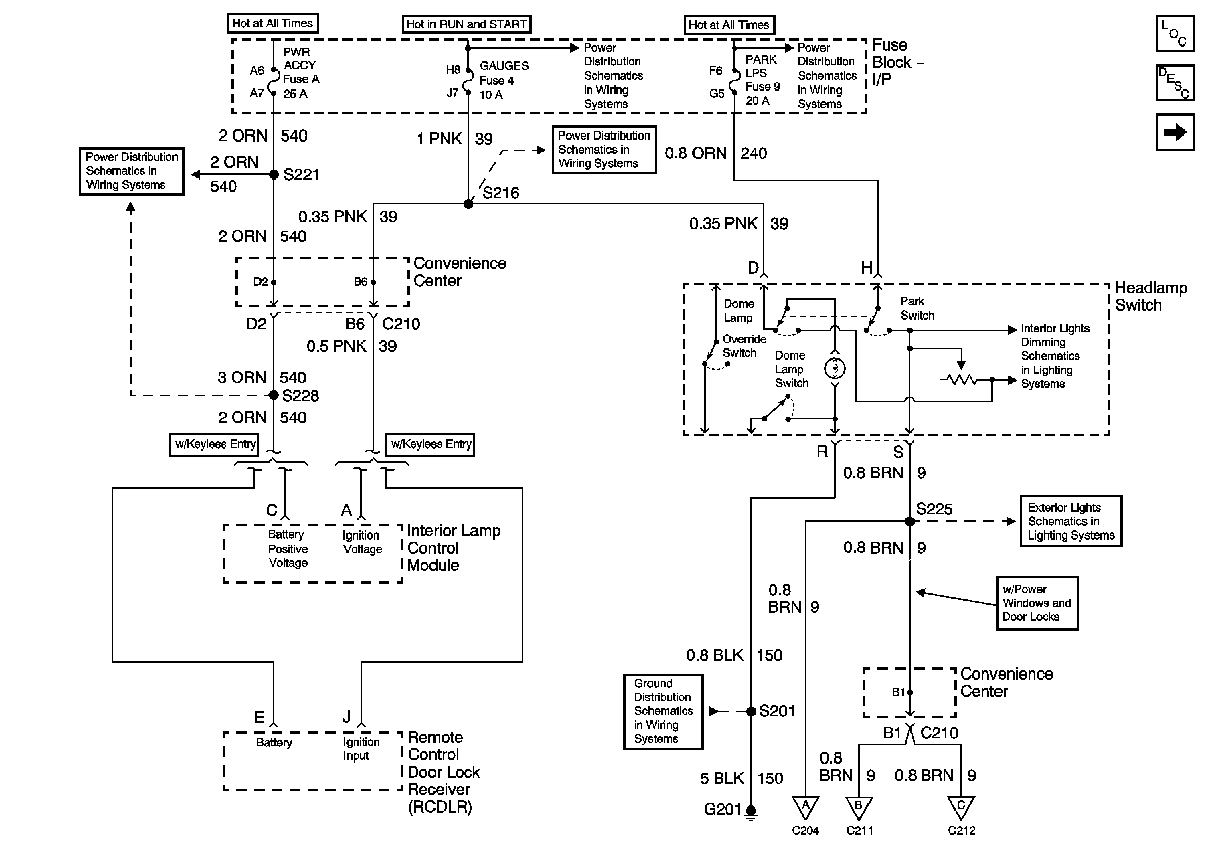
🢒 PWR ACCY, GAUGES and PARK LPS Fuses
PWR ACCY, GAUGES and PARK LPS Fuses
PWR ACCY, GAUGES and PARK LPS Fuses
Master Electrical Component List
Interior Lighting Systems Description and Operation
Underhood Lamp, Power Window and Lock Switch Illumination
Ignition A, Ignition B Fuses, and Ignition Switch
Lighting and Battery Fuses
Power Accessory Fuse
Gages Fuse
ILLUM and PARK LPS Fuses
G201
Sunshade, Ashtray and IP Compartment Lamps
Underhood Lamp, Power Window and Lock Switch Illumination
Underhood Lamp, Power Window and Lock Switch Illumination