GM Service Manual Online
For 1990-2009 cars only
Makes
🢒
Chevrolet
🢒
2002
🢒
Express
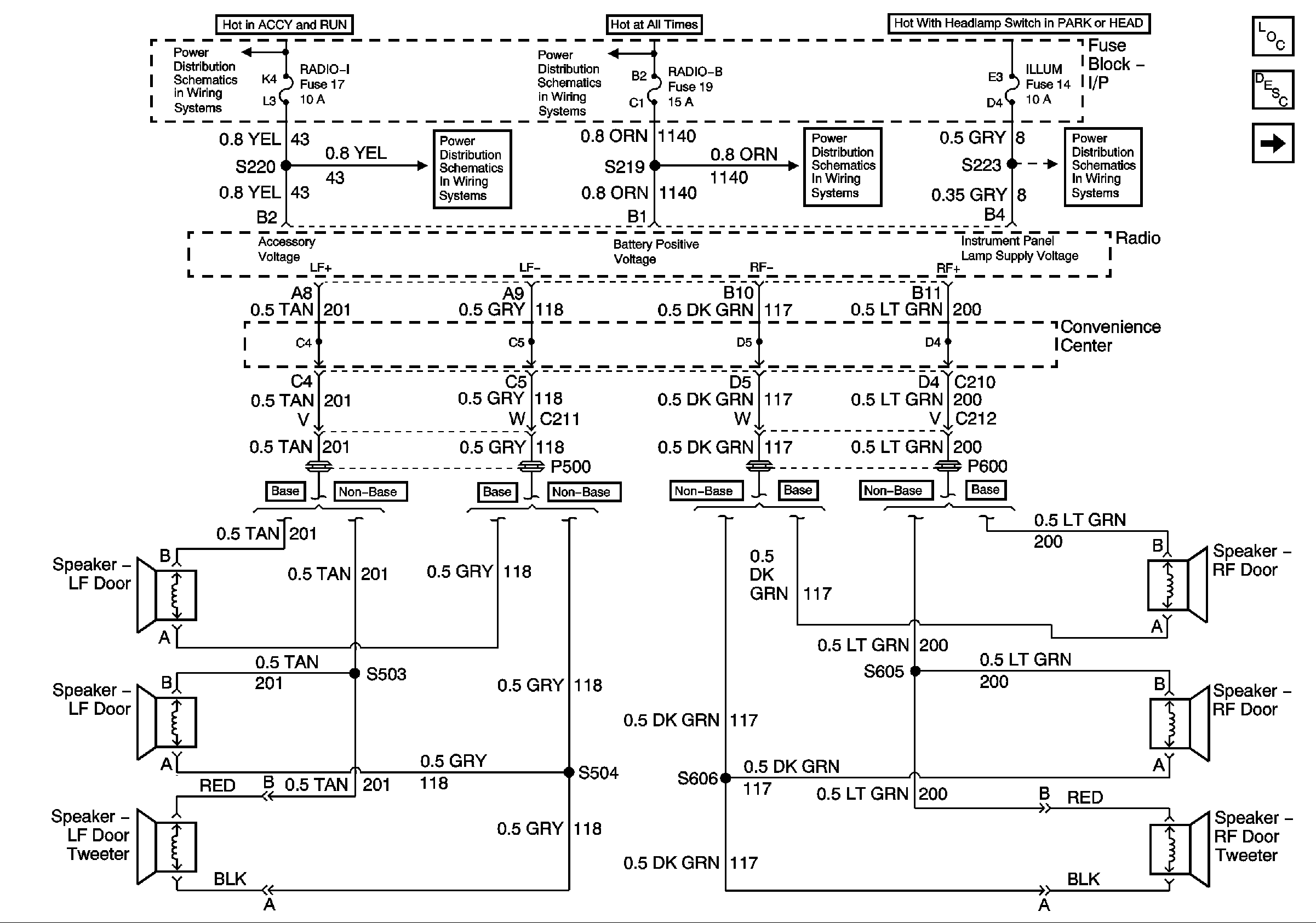
🢒 PWR and Front Speakers
PWR and Front Speakers
PWR and Front Speakers
Master Electrical Component List
Radio/Audio System Description and Operation Class 2 Radio
Rear Speakers
Ignition A, Ignition B Fuses, and Ignition Switch
Lighting and Battery Fuses
Radio 1, Wiper, Transmission, and Crank Fuses
Stop, Power Auxiliary, Cigar Lighter, and Radio B Fuses
Illumination Fuse and Headlamp Switch