GM Service Manual Online
For 1990-2009 cars only
Makes
🢒
Chevrolet
🢒
2003
🢒
Express
🢒
Body and Accessories
🢒
Doors
🢒 Outside Rearview Mirror Schematics
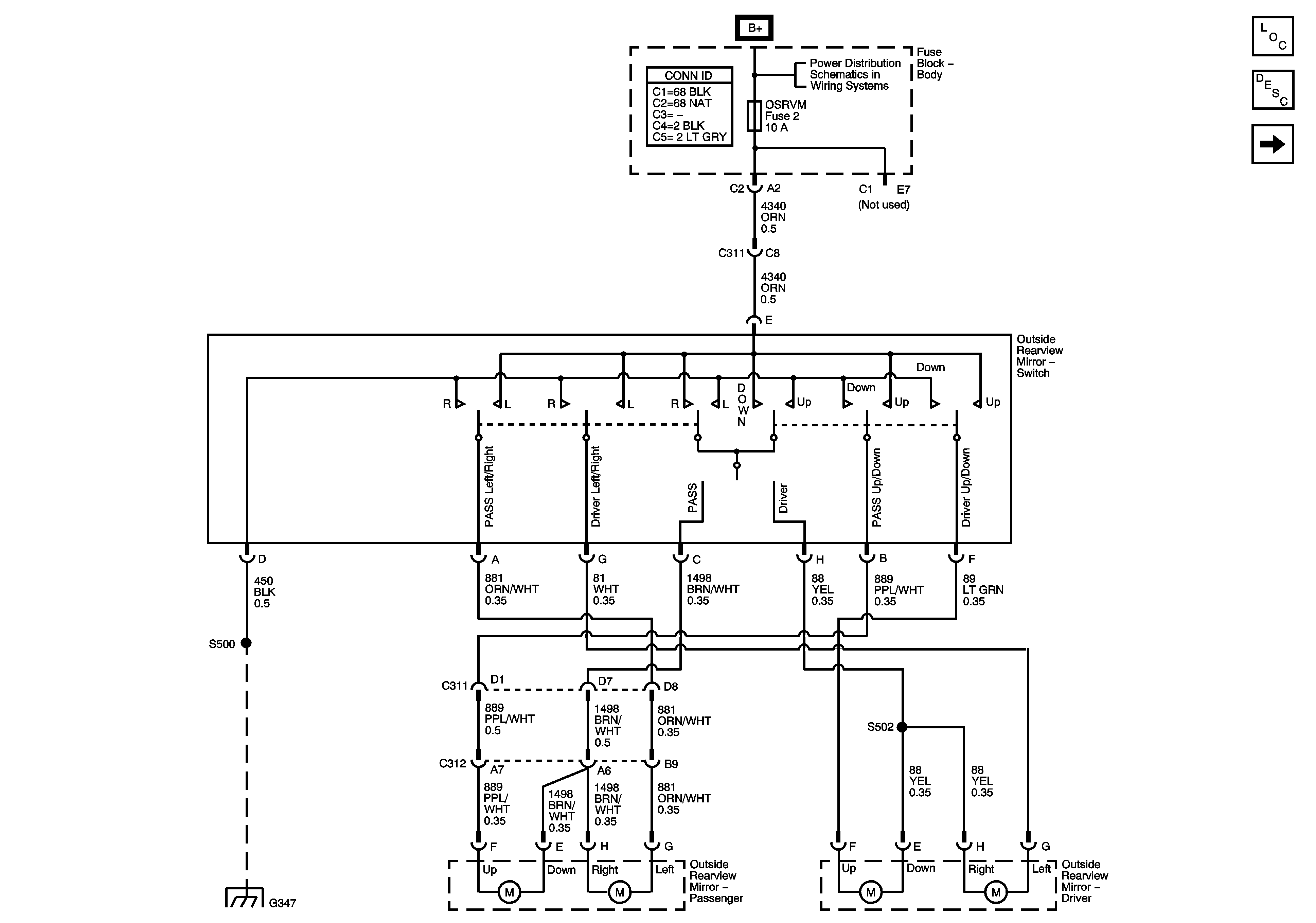
Figure
1:
Power, Ground, Power Mirror Switches and Motors
Master Electrical Component List
Outside Mirror Description and Operation Power Mirrors
Heated Outside Mirrors
B+ Bus - Body Fuse Block
Splice Pack SP347, and G347 - 1 of 3
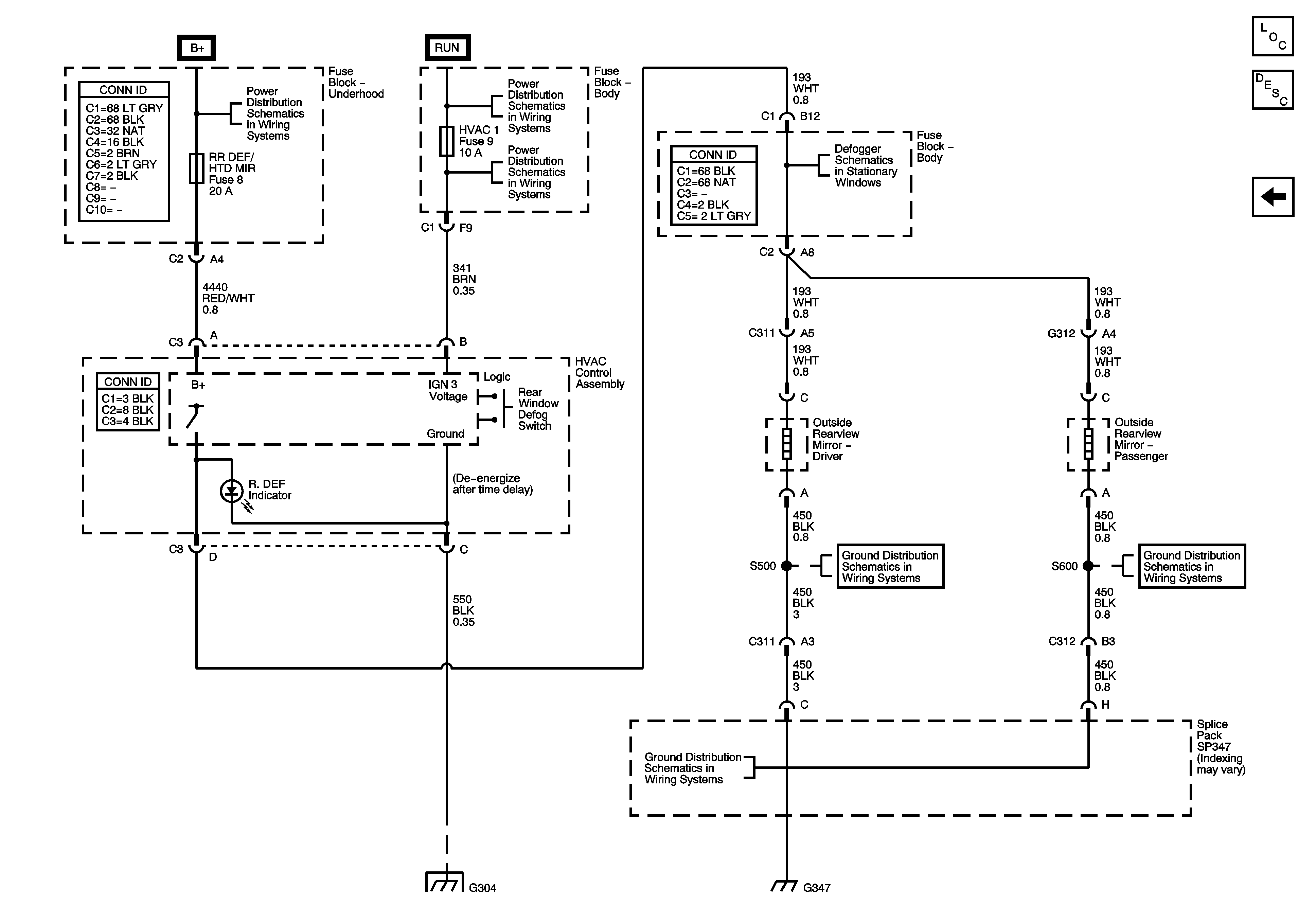
Figure
2:
Heated Outdoor Mirrors
Master Electrical Component List
Outside Mirror Description and Operation Heated Mirrors
Power, Ground, Power Mirror Switches and Motors
B+ Bus - Underhood Fuse Block
IGN A Fuse
HVAC 1 Fuse
Defogger
Splice Pack SP347, and G347 - 1 of 3
Splice Pack SP347, and G347 - 2 of 3
Splice Pack SP347, and G347 - 1 of 3
G303, and G304