GM Service Manual Online
For 1990-2009 cars only
Makes
🢒
Chevrolet
🢒
2004
🢒
Express
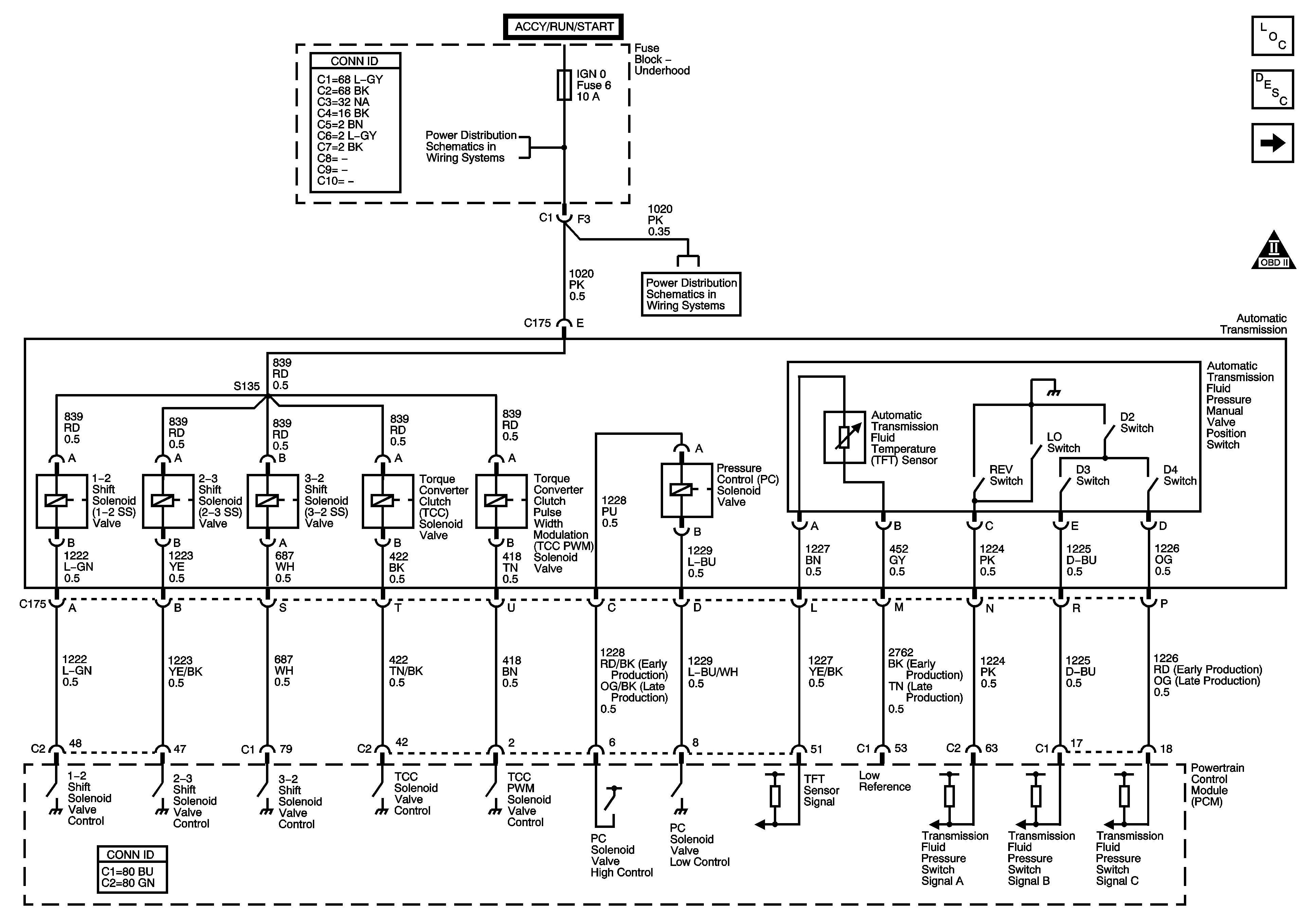
🢒 Valve Controls and Switch Inputs
Valve Controls and Switch Inputs
Valve Controls and Switch Inputs
Master Electrical Component List
Transmission Component and System Description
Tow/Haul and Park/Neutral Position Switch Inputs and Vehicle Speed Sensor
OBD II Symbol Description Notice
Crank, IGN 0, TBC ACC, FR WPR, BRKS and HVAC Fuses
Crank, IGN 0, TBC ACC, FR WPR, BRKS and HVAC Fuses