GM Service Manual Online
For 1990-2009 cars only
Makes
🢒
Chevrolet
🢒
2004
🢒
Express
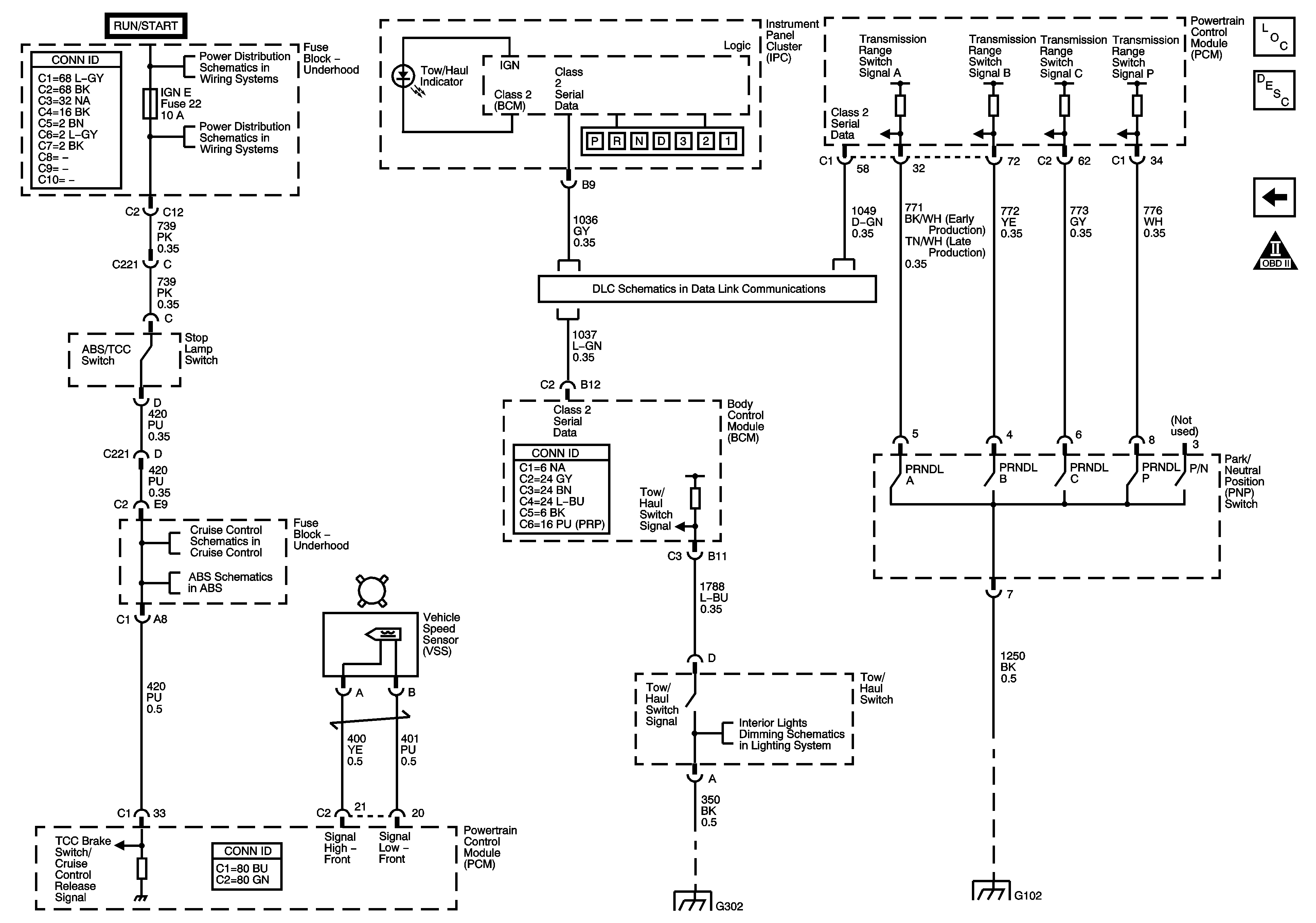
🢒 Tow/Haul and Park/Neutral Position Switch Inputs and Vehicle Speed Sensor
Tow/Haul and Park/Neutral Position Switch Inputs and Vehicle Speed Sensor
Tow/Haul and Park/Neutral Position Switch Inputs and Vehicle Speed Sensor
Master Electrical Component List
Transmission Component and System Description
Valve Controls and Switch Inputs
OBD II Symbol Description Notice
Data Link Connector (DLC)
I/P Dimming Supply Voltage 1 of 3 and LED Dimming Supply Voltage
G302
G102