GM Service Manual Online
For 1990-2009 cars only
Makes
🢒
Chevrolet
🢒
2004
🢒
Express
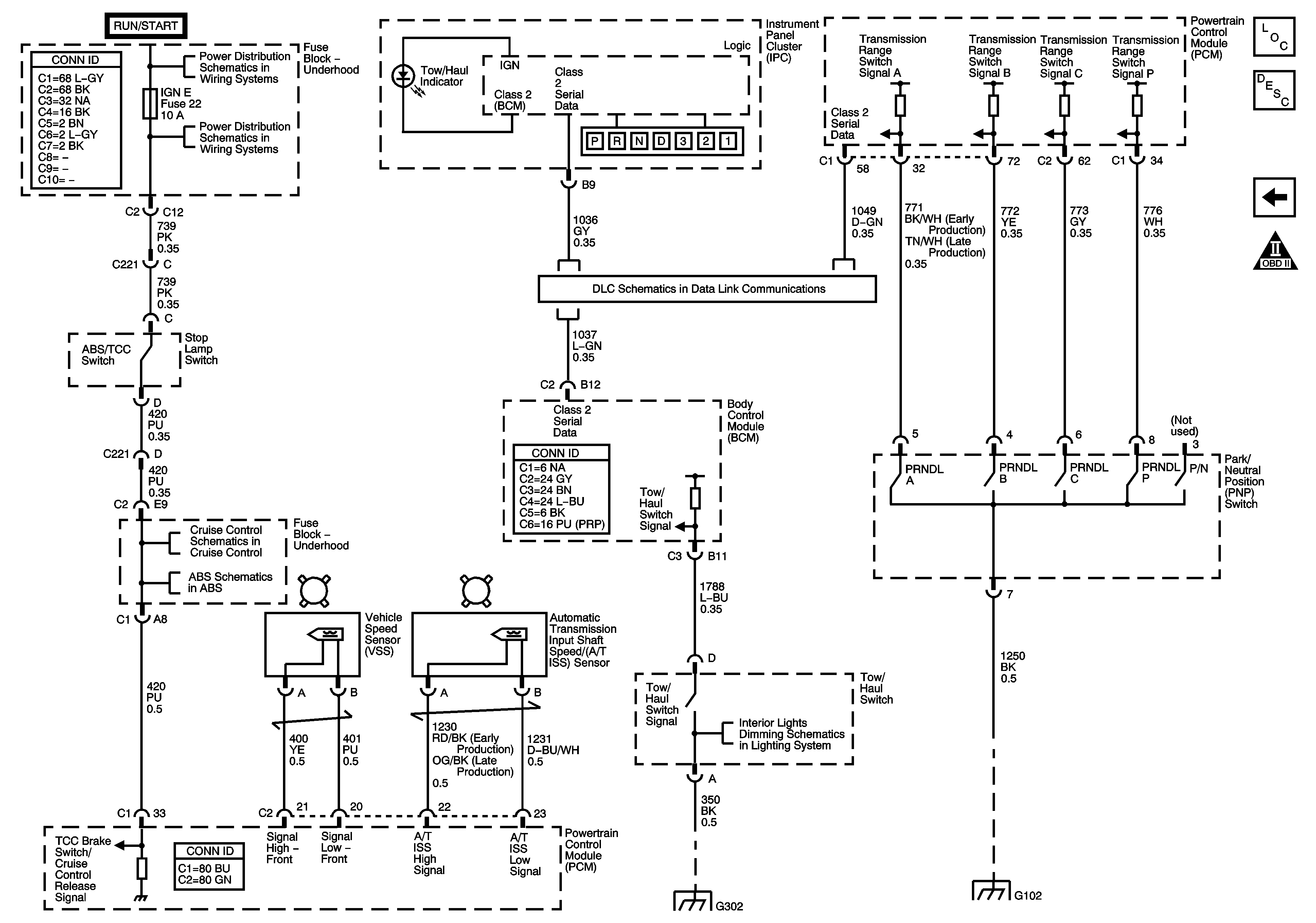
🢒 Stop Lamp, Tow/Haul, Park/Neutral Position Switch Inputs and Speed Sensors
Stop Lamp, Tow/Haul, Park/Neutral Position Switch Inputs and Speed Sensors
Stop Lamp, Tow/Haul and Park/Neutral Position Switch Inputs and Speed Sensors
Master Electrical Component List
Transmission Component and System Description
Valve Controls and Switch Inputs
OBD II Symbol Description Notice
I/P Dimming Supply Voltage 1 of 3 and LED Dimming Supply Voltage
IGN B Fuse, ACCY/RUN and RUN/START Bus Bars
Spare, IGN E, SIR, TBC IGN 1 and ISRV Fuses
w/o JL4
Power, Ground, Serial Data, Indicator and Stop Lamp Switch - w/o VSES
Data Link Connector (DLC)
G302
G102