GM Service Manual Online
For 1990-2009 cars only
Makes
🢒
Chevrolet
🢒
2004
🢒
Express
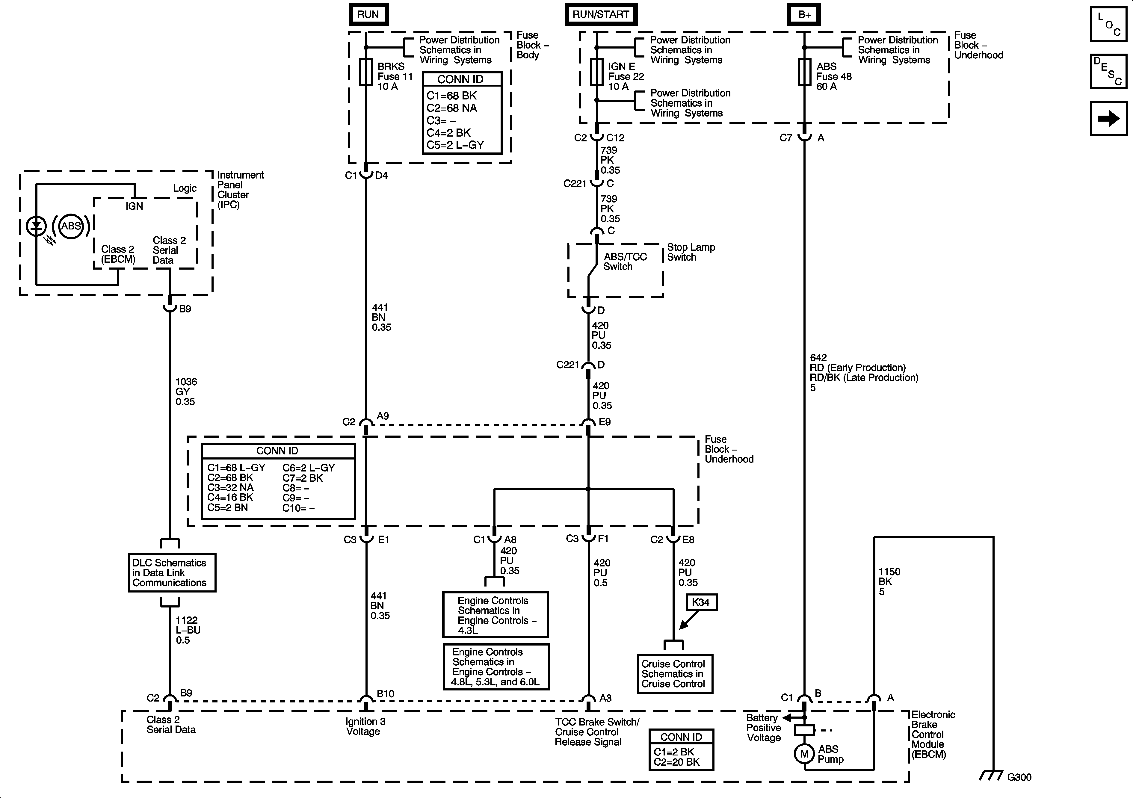
🢒 Power, Ground, Serial Data, Indicator and Stop Lamp Switch - w/o VSES
Power, Ground, Serial Data, Indicator and Stop Lamp Switch - w/o VSES
Power, Ground, Serial Data, Indicator and Stop Lamp Switch - w/o JL4
Master Electrical Component List
ABS Description and Operation w/JL4
Wheel Speed Sensors and VSS - w/o VSES
IGN A Fuse, Start, ACCY/RUN/START and RUN Bus Bars
IGN B Fuse, ACCY/RUN and RUN/START Bus Bars
Spare, IGN E, SIR, TBC IGN 1 and ISRV Fuses
PCM BAT, ABS, TRLR, BLOW, STOP LP, IPC AUX PWR and CIGAR Fuses
Data Link Connector (DLC)
Fuel Controls - EVAP and Device Controls
Fuel Controls - EVAP and Device Controls
w/o JL4