GM Service Manual Online
For 1990-2009 cars only
Makes
🢒
Chevrolet
🢒
2004
🢒
Express
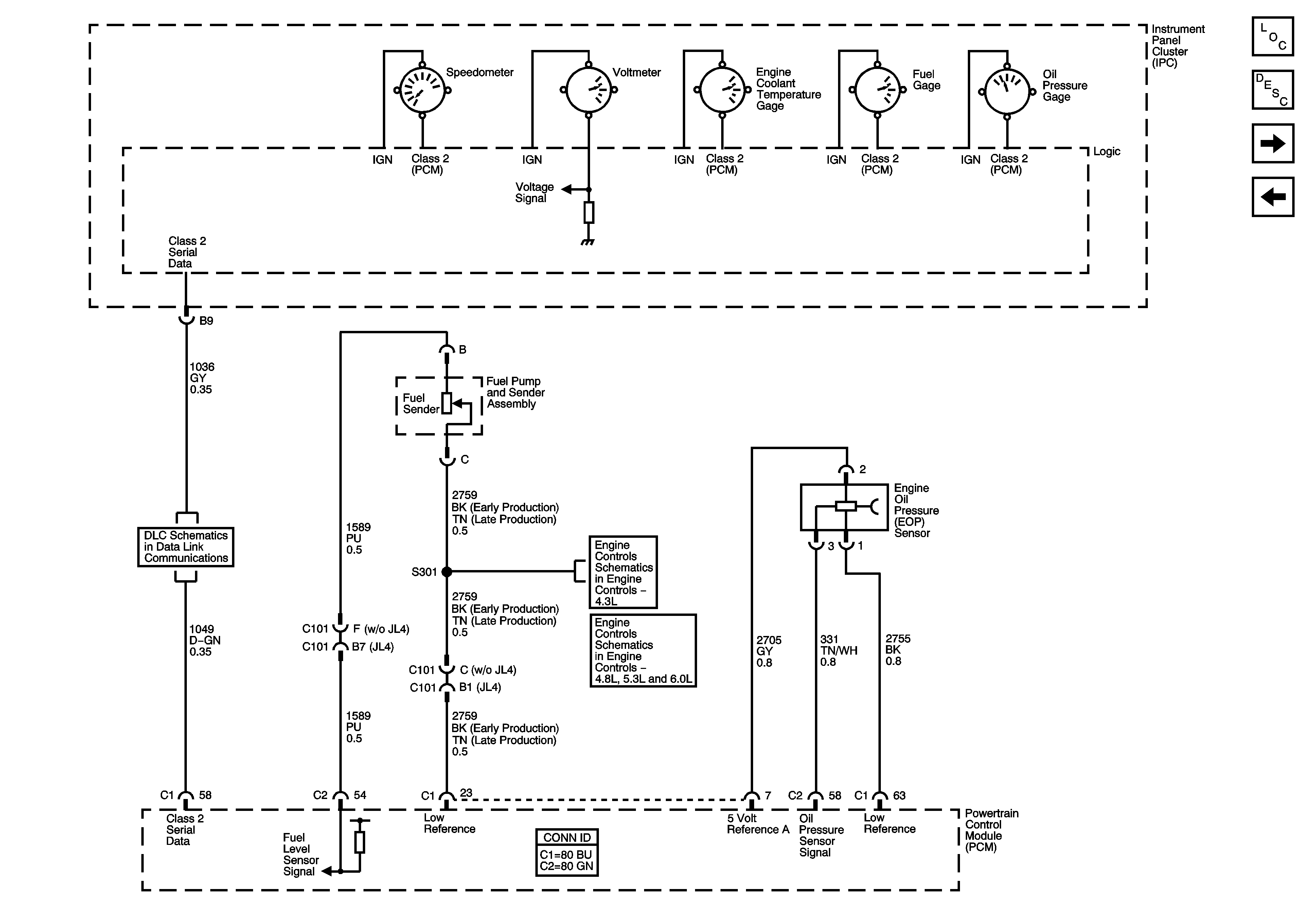
🢒 Gages
Gages
Gages
Master Electrical Component List
Instrument Cluster Description and Operation
Indicators
Power, Ground and Serial Data
Data Link Connector (DLC)
Fuel Controls - Fuel Pump Controls
Fuel Controls - Fuel Pump Controls