GM Service Manual Online
For 1990-2009 cars only
Makes
🢒
Chevrolet
🢒
2004
🢒
Express
🢒 Indicators
Indicators
Indicators
Master Electrical Component List
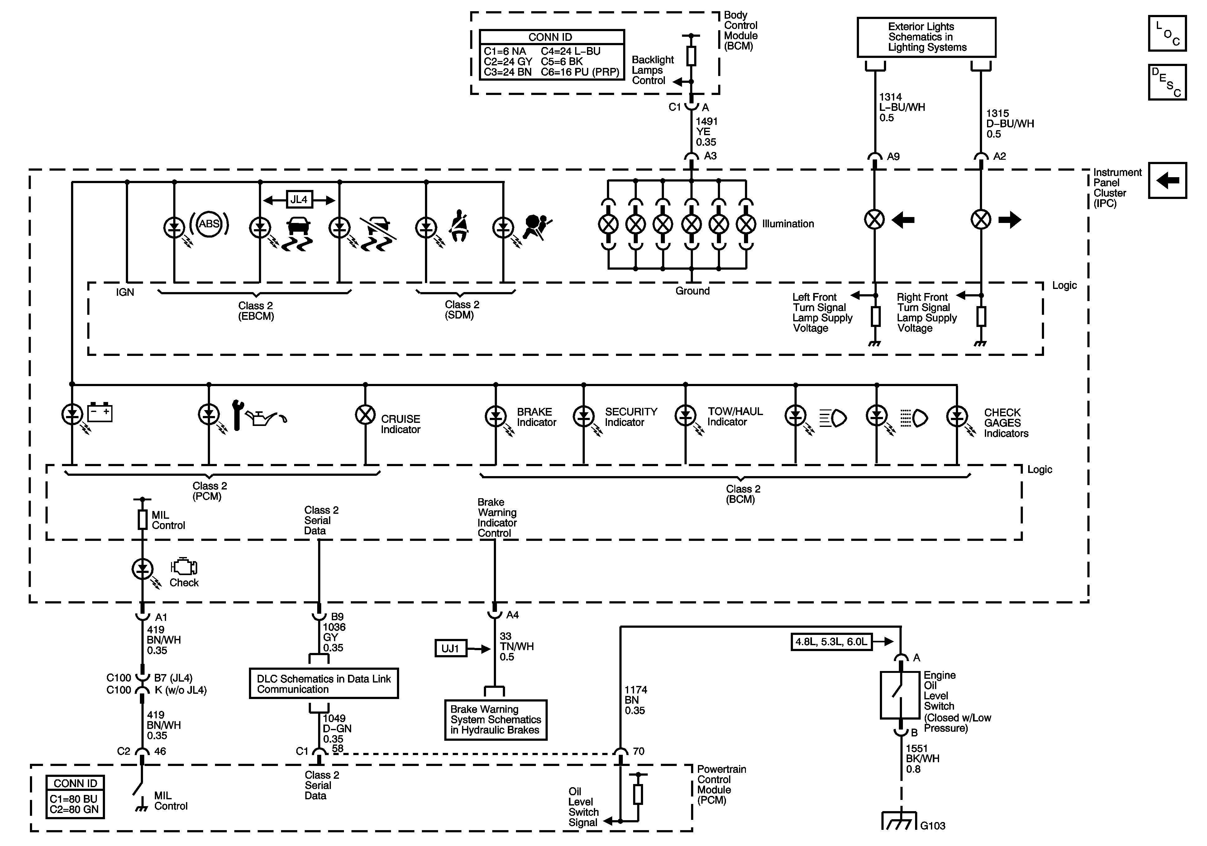
Instrument Cluster Description and Operation
Gages
Turn Signals
Data Link Connector (DLC)
Brake Warning System Schematics
G103, G104, G105, G106, G300 and G301