GM Service Manual Online
For 1990-2009 cars only
Makes
🢒
Chevrolet
🢒
2004
🢒
Express
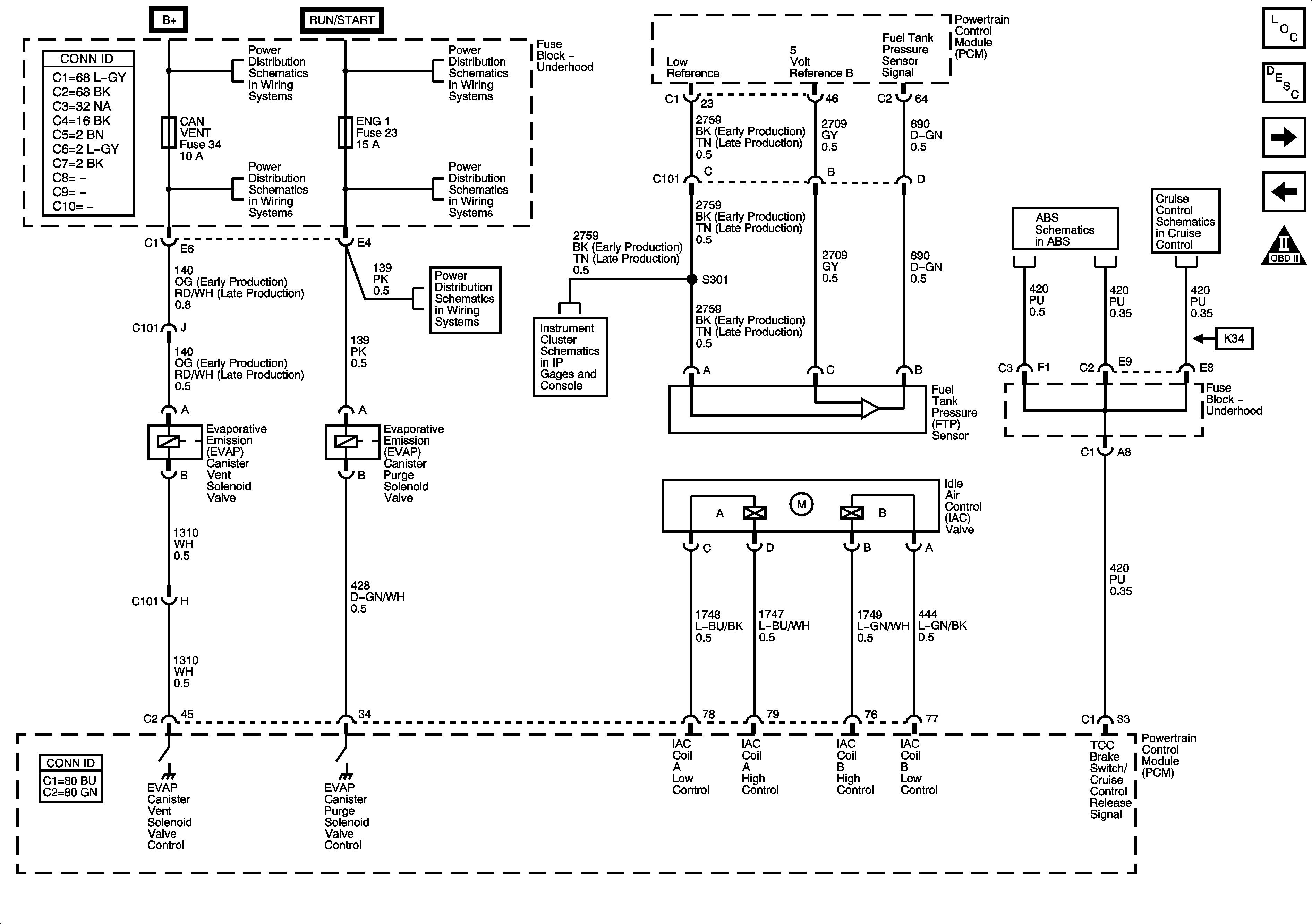
🢒 Fuel Controls - EVAP and Device Controls
Fuel Controls - EVAP and Device Controls
Fuel Controls - EVAP and Device Controls
Master Electrical Component List
Powertrain Control Module Description
Controlled/Monitored Subsystem and Transmission References
Fuel Controls - Fuel Injectors
OBD II Symbol Description Notice
B+ Bus - Underhood Fuse Block
IGN B Fuse, ACCY/RUN and RUN/START Bus Bars
TRLR STOP/TRN, CAN VENT, LH-LOBM, RH-LOBM, LH-HIBM and RH-HIBM Fuses
ENG 1 and ENG 2 Fuses - 4.3L
ENG 1 and ENG 2 Fuses - 4.3L
Gages
Power, Ground, Serial Data, Indicator and Stop Lamp Switch - w/o VSES
w/o JL4