GM Service Manual Online
For 1990-2009 cars only
Makes
🢒
Chevrolet
🢒
2004
🢒
Express
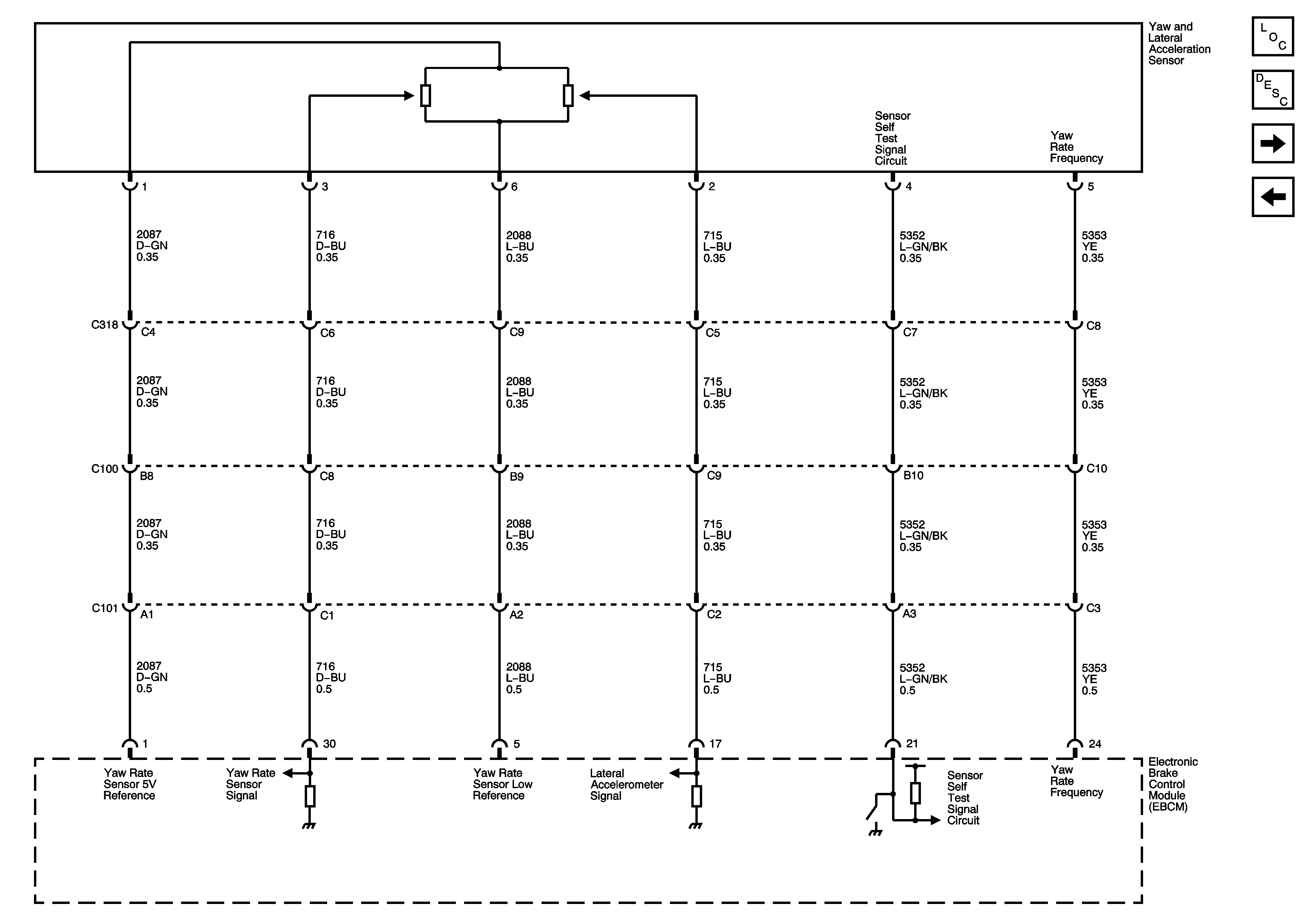
🢒 Yaw and Lateral Acceleration Sensor Inputs - JL4
Yaw and Lateral Acceleration Sensor Inputs - JL4
Yaw and Lateral Acceleration Sensor Inputs - JL4
Master Electrical Component List
ABS Description and Operation W/O JL4
Steering Wheel/Speed Position Inputs, Traction Control Switch and Precharge Pump - JL4
Wheel Speed Sensors - JL4