GM Service Manual Online
For 1990-2009 cars only
Makes
🢒
Chevrolet
🢒
2005
🢒
Express
🢒
Accessories
🢒
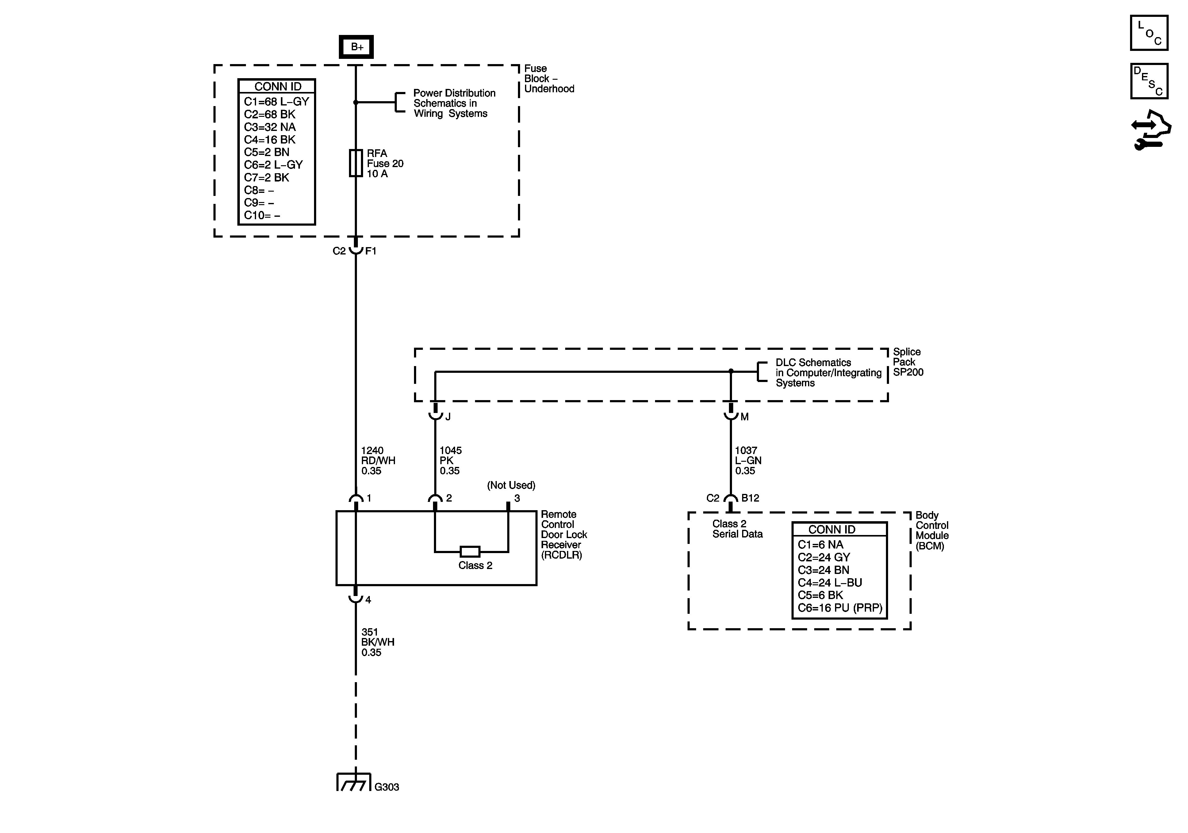
Keyless Entry
🢒 Keyless Entry Schematics
Master Electrical Component List
Keyless Entry System Description and Operation
Control Module References
B+ Bus - Underhood Fuse Block
Data Link Connector (DLC) Schematics
G303 and G304