GM Service Manual Online
For 1990-2009 cars only
Makes
🢒
Chevrolet
🢒
2005
🢒
Express
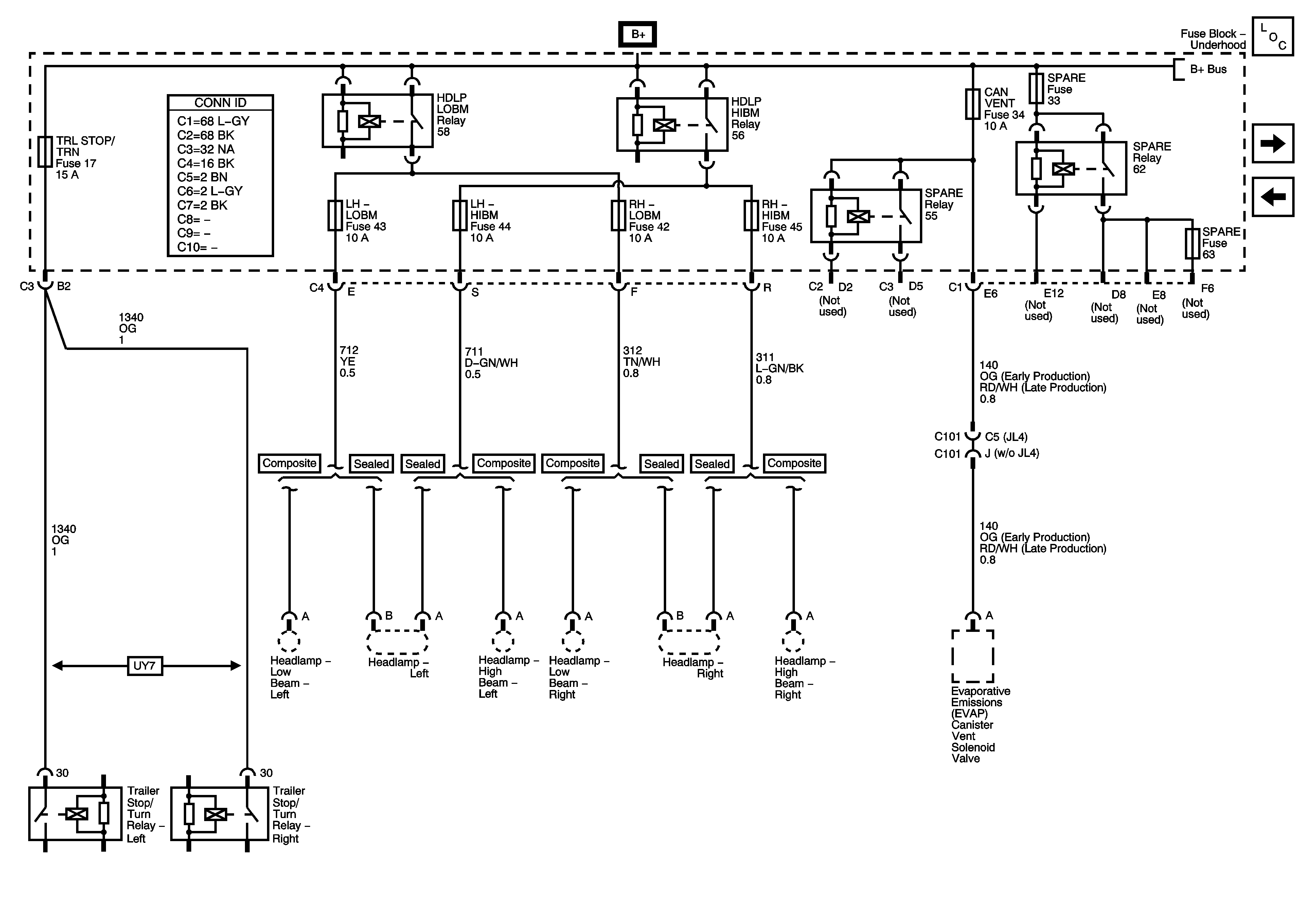
🢒 TRLR STOP/TRN, CAN VENT, LH-LOBM, RH-LOBM, LH-HIBM and RH-HIBM Fuses
TRLR STOP/TRN, CAN VENT, LH-LOBM, RH-LOBM, LH-HIBM and RH-HIBM Fuses
TRLR STOP/TRN, CAN VENT, LH - LOBM, RH - LOBM, LH - HIBM, RH - HIBM and SPARE Fuses
Master Electrical Component List
FR PRK, LR PRK, RR PRK, TRLR PRK, UPFTR PRK Fuses
TBC, TBC 2, TBC 3, TBC 4, RADIO BAT, RR DEF/HTD MIR, FLASHER and RFA Fuses, PWR SEAT Circuit Breaker
B+ Bus - Underhood Fuse Block