GM Service Manual Online
For 1990-2009 cars only
Makes
🢒
Chevrolet
🢒
2005
🢒
Express
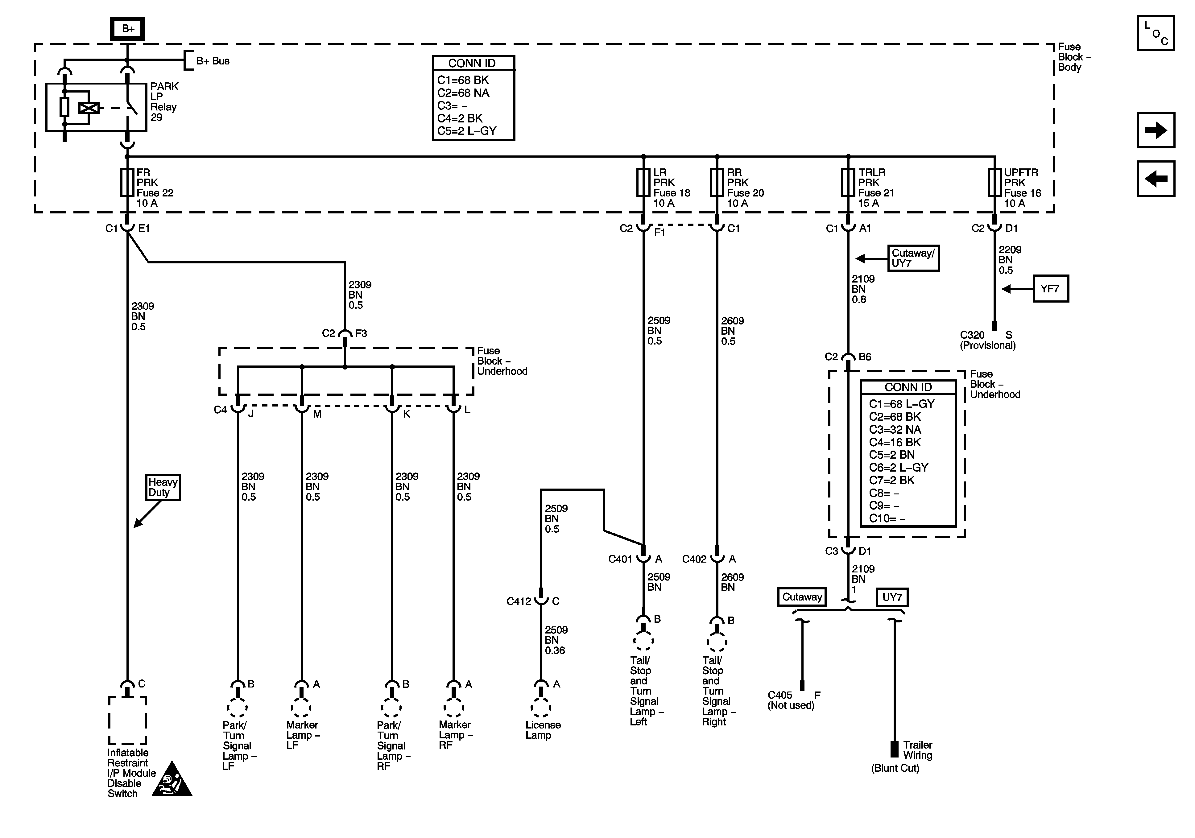
🢒 FR PRK, LR PRK, RR PRK, TRLR PRK, UPFTR PRK Fuses
FR PRK, LR PRK, RR PRK, TRLR PRK, UPFTR PRK Fuses
FR PRK, LR PRK, RR PRK, TRLR PRK and UPFTR PRK Fuses
Master Electrical Component List
RR Blower, AUXILIARY 1, OSRVM and SPARE Fuses, PWR WND Circuit Breaker
TRLR STOP/TRN, CAN VENT, LH-LOBM, RH-LOBM, LH-HIBM and RH-HIBM Fuses
B+ Bus - Body Fuse Block
SIR Caution for Zoning