GM Service Manual Online
For 1990-2009 cars only
Makes
🢒
Chevrolet
🢒
2005
🢒
Express
🢒 Fuse Block-U/H FLASHER, RR STOP/TRN and LR STOP/TRN Fuses, Fuse Block-Body RR STOP/TRN and LR STOP/TRN Fuses
Fuse Block-U/H FLASHER, RR STOP/TRN and LR STOP/TRN Fuses, Fuse Block-Body RR STOP/TRN and LR STOP/TRN Fuses
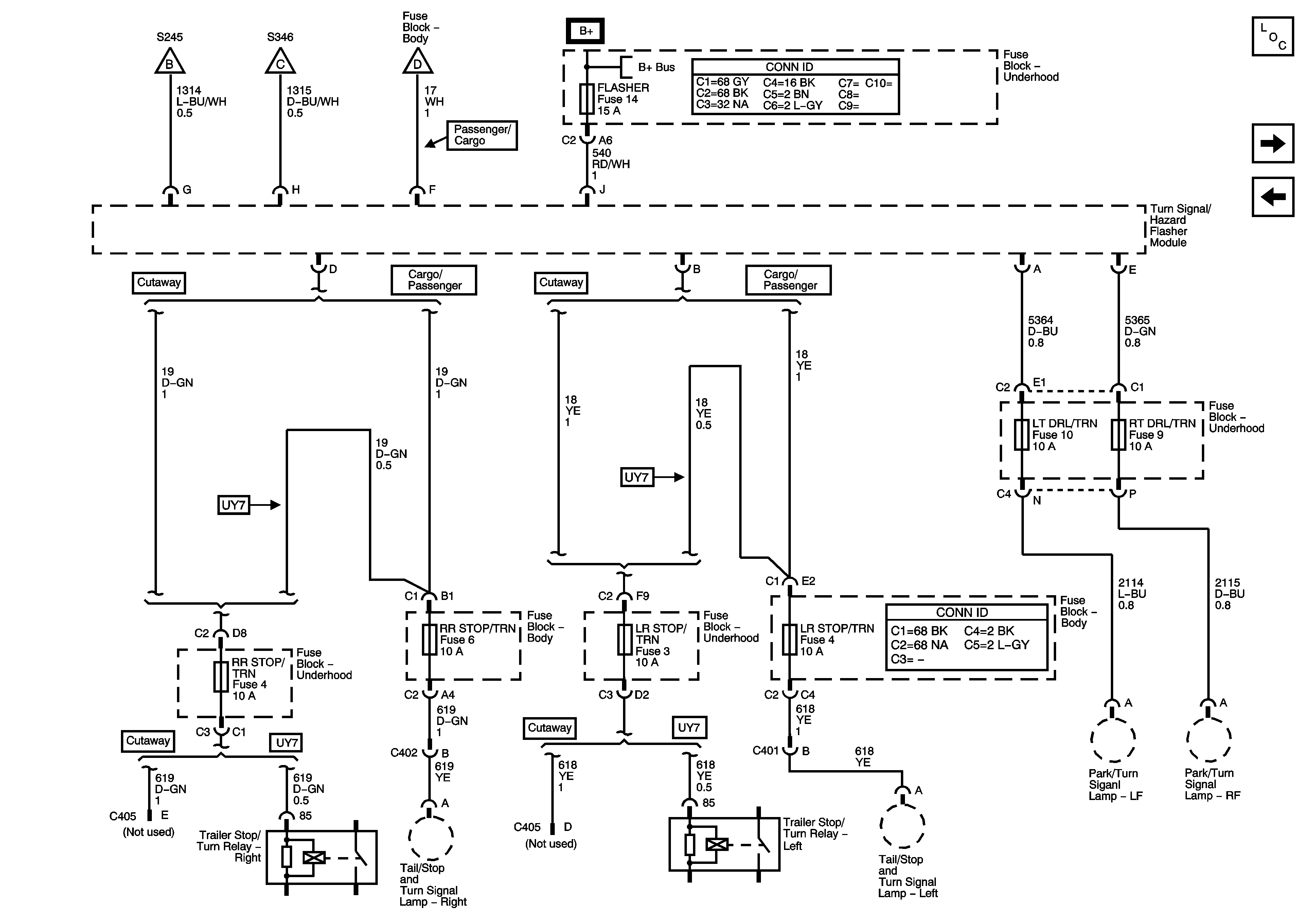
Fuse Block Underhood - FLASHER, RR STOP/TRN, LR STOP/TRN, LT DRL/TRN, RT DRL/TRN Fuses and Fuse Block Body - RR STOP/TRN, LR STOP/TRN Fuses
Master Electrical Component List
DR TRN MIR, PASS TRN MIR and STOP/CHMSL Fuses
RR Blower, AUXILIARY 1, OSRVM and SPARE Fuses, PWR WND Circuit Breaker
B+ Bus - Underhood Fuse Block
DR TRN MIR, PASS TRN MIR and STOP/CHMSL Fuses
DR TRN MIR, PASS TRN MIR and STOP/CHMSL Fuses
DR TRN MIR, PASS TRN MIR and STOP/CHMSL Fuses