GM Service Manual Online
For 1990-2009 cars only
Makes
🢒
Chevrolet
🢒
2005
🢒
Express
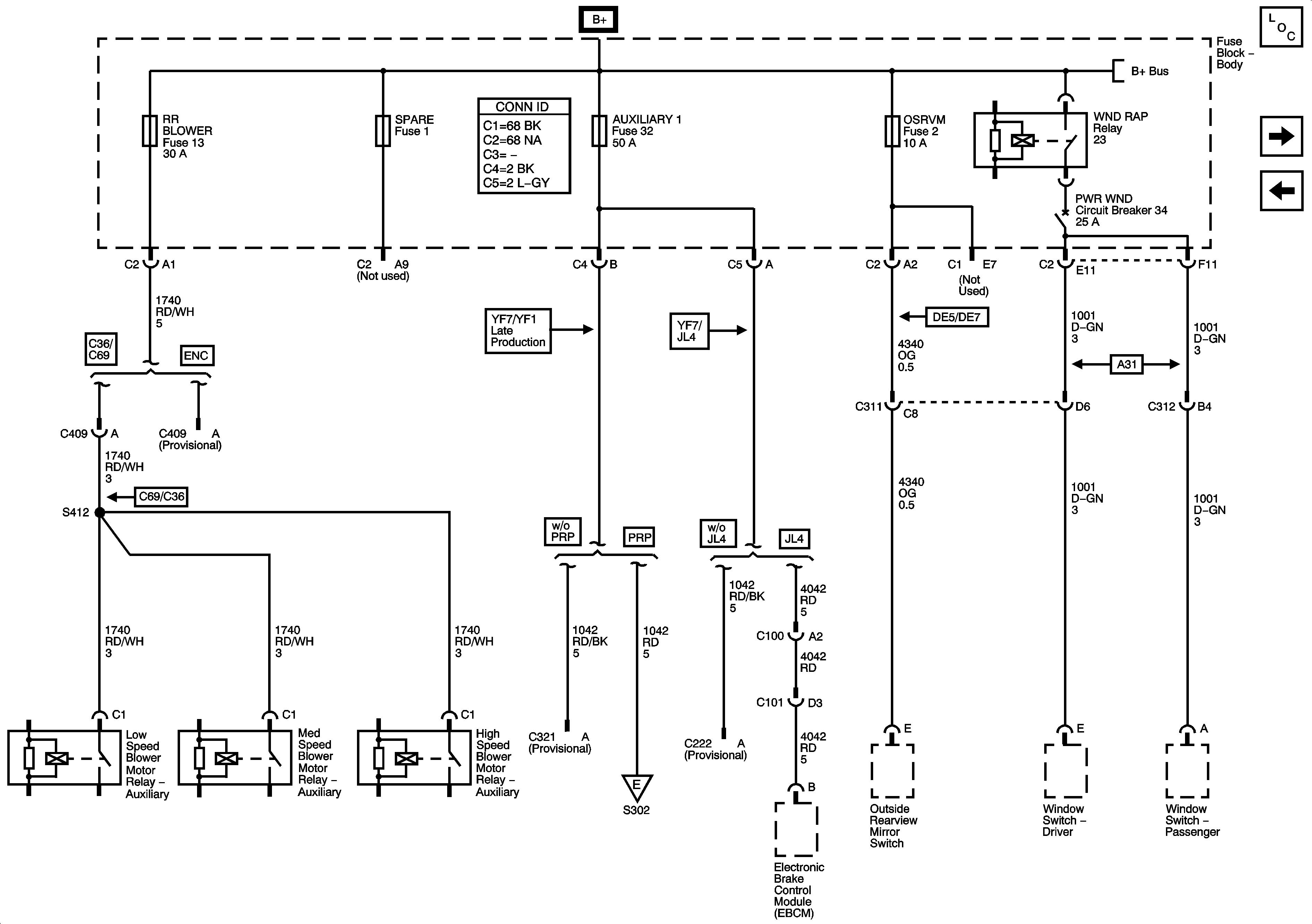
🢒 RR Blower, AUXILIARY 1, OSRVM and SPARE Fuses, PWR WND Circuit Breaker
RR Blower, AUXILIARY 1, OSRVM and SPARE Fuses, PWR WND Circuit Breaker
RR BLOWER, AUXILIARY 1, OSRVM, SPARE Fuses and PWR WND Circuit Breaker
Master Electrical Component List
Fuse Block-U/H FLASHER, RR STOP/TRN and LR STOP/TRN Fuses, Fuse Block-Body RR STOP/TRN and LR STOP/TRN Fuses
FR PRK, LR PRK, RR PRK, TRLR PRK, UPFTR PRK Fuses
B+ Bus - Body Fuse Block
DOME FLUORESCENT WORK LAMPS and PANEL ACTUATOR Fuses