GM Service Manual Online
For 1990-2009 cars only
Makes
🢒
Chevrolet
🢒
2005
🢒
Express
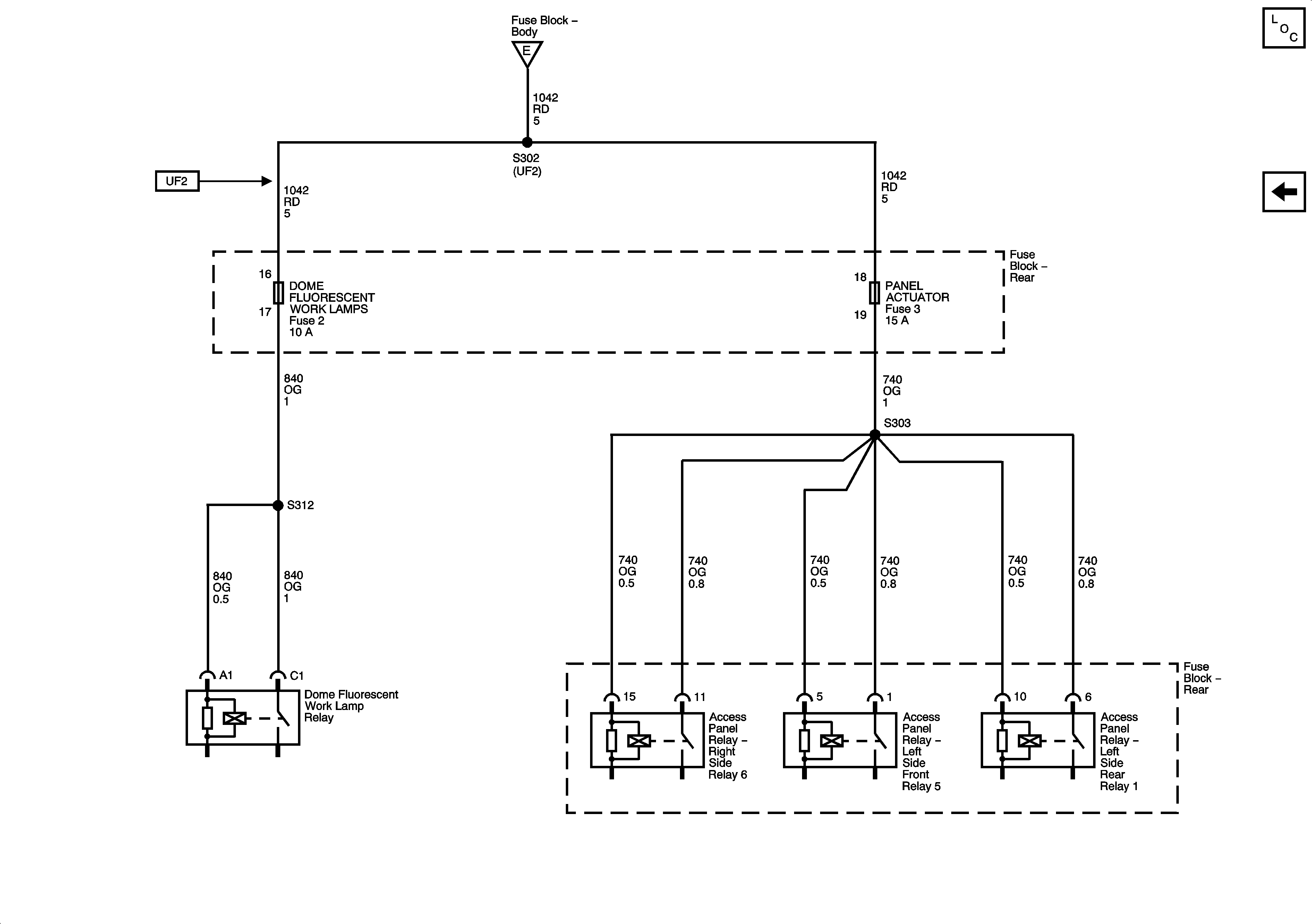
🢒 DOME FLUORESCENT WORK LAMPS and PANEL ACTUATOR Fuses
DOME FLUORESCENT WORK LAMPS and PANEL ACTUATOR Fuses
DOME FLUORESCENT WORK LAMPS and PANEL ACTUATOR Fuses
Master Electrical Component List
DR TRN MIR, PASS TRN MIR and STOP/CHMSL Fuses
RR Blower, AUXILIARY 1, OSRVM and SPARE Fuses, PWR WND Circuit Breaker