GM Service Manual Online
For 1990-2009 cars only
Makes
🢒
Chevrolet
🢒
2005
🢒
Express
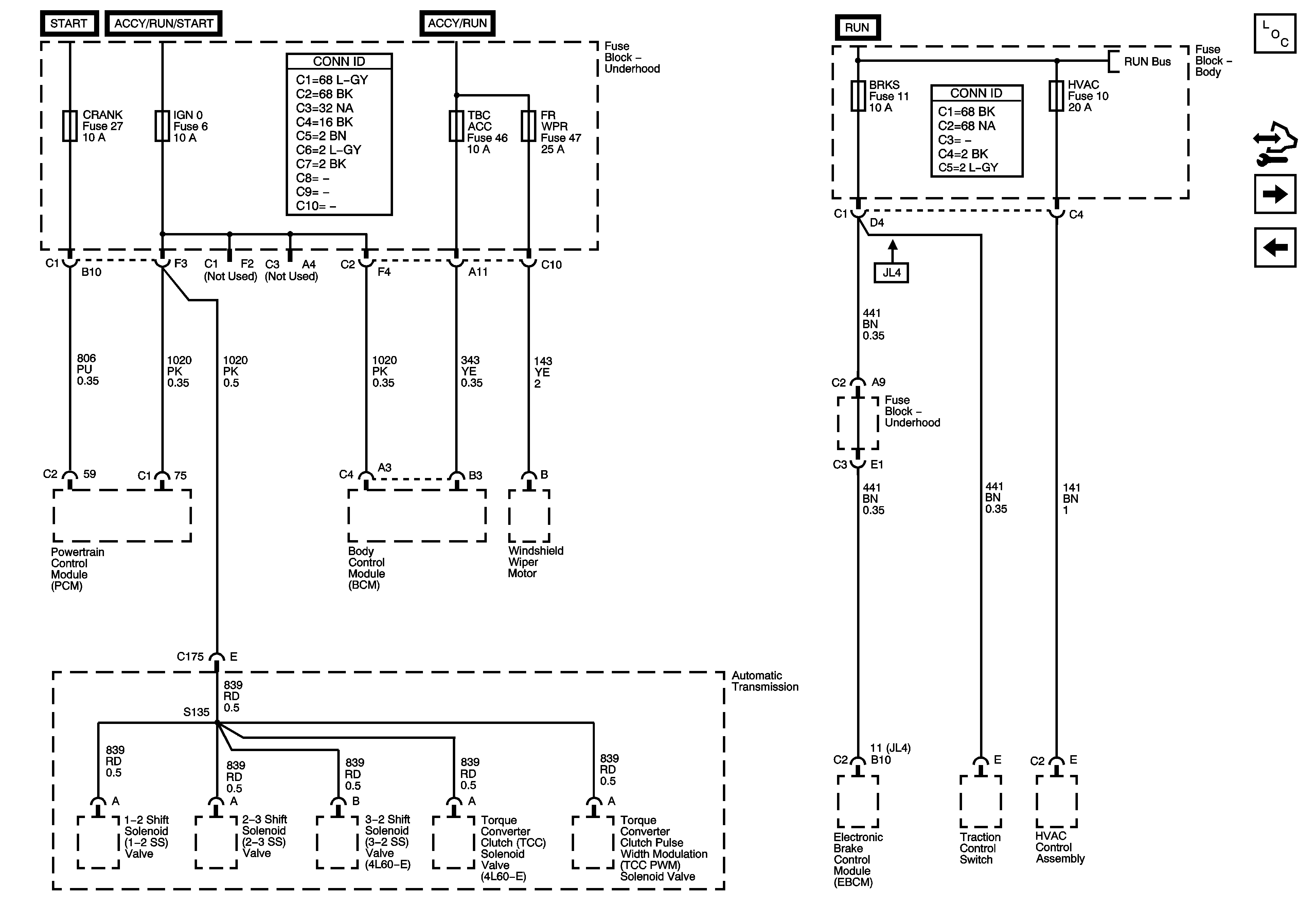
🢒 BRKS, CRANK, FR WPR, HVAC, IGN 0 and TBC ACC Fuses
BRKS, CRANK, FR WPR, HVAC, IGN 0 and TBC ACC Fuses
BRKS, CRANK, FR WPR, HVAC, IGN 0 and TBC ACC Fuses
Master Electrical Component List
Control Module References
HVAC 1 Fuse
ENG 1 and ENG 2 Fuses - 4.8L, 5.3L and 6.0L
Ignition Switch - ACCY/RUN, RUN/START Bus Bars and IGN A Fuse